Корзина
ОформитьКнопка управления AEА-22 "Грибок" d=22мм 1з+1р зеленая IEK
Преимущества
- Незначительная стоимость, высокая надежность и простота монтажа.
- Широкий ассортимент позволяет укомплектовать шкаф любой сложности.
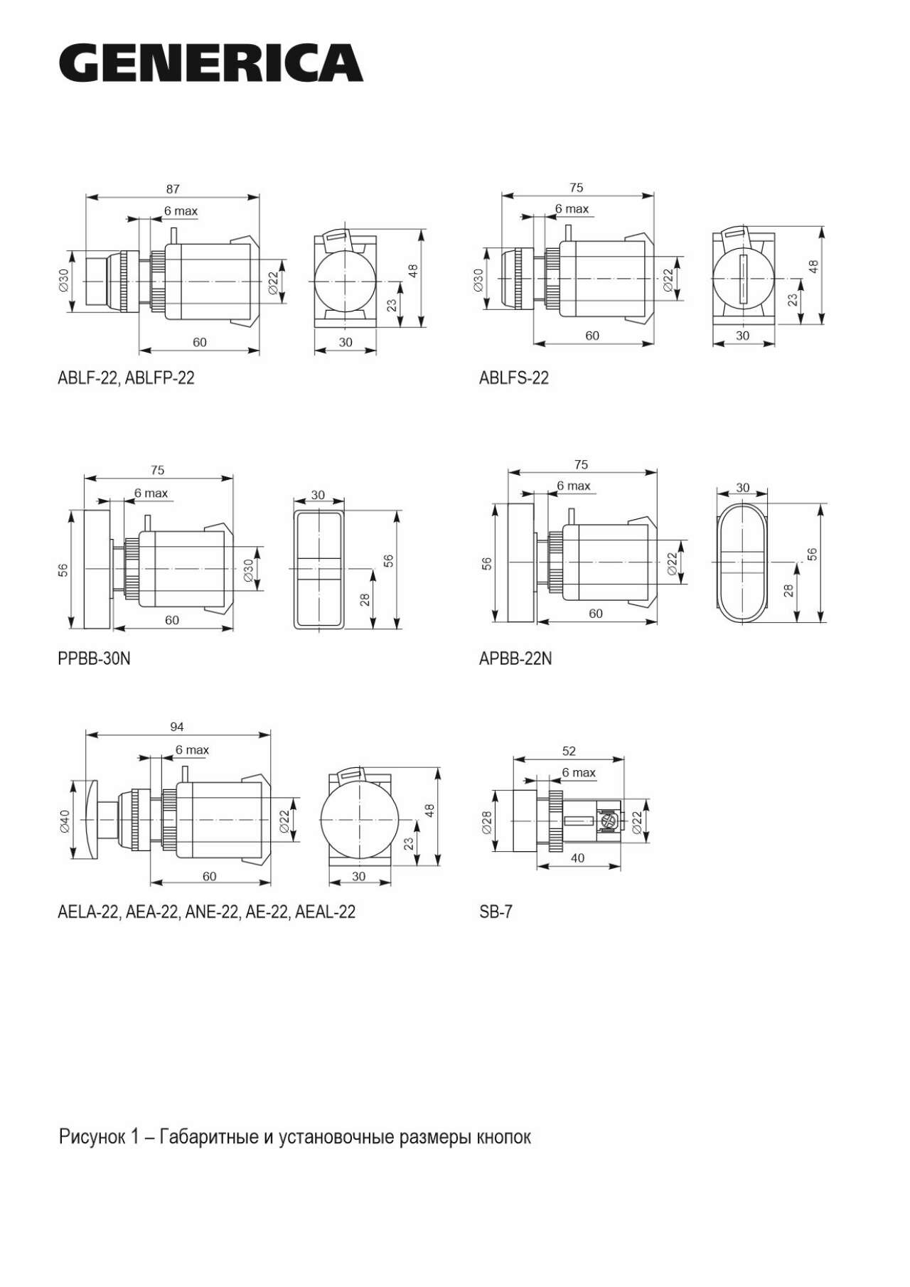
Особенности конструкции

Дополнительные размыкающие и дополнительные замыкающие контакты позволяют расширить возможности коммутационных процессов.

Блоки дополнительных контактов монтируются с помощью специальных монтажных винтов, обеспечивающих прочность соединения.

Упрощенное конструктивное исполнение позволяет осуществлять быстрый монтаж и демонтаж изделия на щит или на панель.

Для предотвращения попадания жидкости внутрь механизма все изделия снабжены резиновыми уплотнительными кольцами.

Подключение подводящих проводников производят винтовыми зажимами с тарельчатыми шайбами, которые обеспечивают надежную фиксацию проводов.

Удобство монтажа контактного модуля, который присоединяется к блоку кнопки за счет фиксации пластмассовым флажком.
Документация
Сертификаты
Информационные материалы
Дополнительные изображения
Модели для проектировщиков
Класс: Нажимная кнопка (выкл/перекл) в сборе (ID: EC001028)
| ID | Описание | Значение | Ед. изм. |
|---|---|---|---|
| EF000079 | Диаметр отверстия | 22 | мм |
| EF001407 | С возвратной пружиной | Да | |
| EF000198 | С сигнальной лампой - индикатором | Нет | |
| EF000190 | Цвет кнопки | Зеленый | |
| EF001546 | Тип кнопки | Грибовидная | |
| EF002423 | Тип лампы | Не применимо | |
| EF000187 | Тип напряжения | Перемен./постоян. (AC/DC) | |
| EF007447 | Функция переключения с фиксацией | Нет | |
| EF005474 | Степень защиты - IP | IP40 | |
| EF006522 | Напряжение питания лампы | - | В |
| EF000228 | Номин раб напряжение | 48/120/230/400/660 | В |
| EF003961 | Тип подключения | Винтовое соединение | |
| EF001105 | Количество нормально открытых контактов | 1 | |
| EF004778 | Высота проёма под измерительный прибор | - | мм |
| EF008256 | Кол-во норм разомкнутых - НО контактов | 1 | |
| EF000227 | Номин ток | 0,6 ... 10 | А |
| EF002950 | Ширина по количеству модульных расстояний | - | |
| EF001106 | Количество нормально закрытых контактов | 1 | |
| EF008255 | Кол-во нормально замкнутых - НЗ контактов | 1 | |
| EF006253 | Конструкция линзы | Нет | |
| EF001142 | С возможностью подсветки | Нет | |
| EF004565 | Ширина открытия | - | мм |
| EF001372 | Количество управляющих элементов | 1 |
Характеристики
- class Нажимная кнопка (выкл/перекл) в сборе
- Высота проёма под измерительный прибор -
- Гарантийный срок, Лет 5
- Диаметр отверстия 22
- Кол-во норм разомкнутых - НО контактов 1
- Кол-во нормально замкнутых - НЗ контактов 1
- Количество нормально закрытых контактов 1
- Количество нормально открытых контактов 1
- Количество управляющих элементов 1
- Конструкция линзы Нет
- Напряжение питания лампы -
- Номин раб напряжение 48/120/230/400/660
- Номин ток 0,6 ... 10
- С возвратной пружиной Да
- С возможностью подсветки Нет
- С сигнальной лампой - индикатором Нет
- Степень защиты - IP IP40
- Тип кнопки Грибовидная
- Тип лампы Не применимо
- Тип напряжения Перемен./постоян. (AC/DC)
- Тип подключения Винтовое соединение
- Функция переключения с фиксацией Нет
- Цвет кнопки Зеленый
- Ширина открытия -
- Ширина по количеству модульных расстояний -
Отзывы (0)
Войдите или зарегистрируйтесь чтобы оставить отзыв
Рекомендуемые товары
Спецпредложение для партнеров: Скидка от 10% до 30%
Запрос проектных цен на комплектацию строительных объектов и щитового оборудования.
У вас есть готовая спецификация, смета или перечень оборудования для крупного объекта?
Получите индивидуальные условия и оптимизируйте бюджет строительства с выгодой до 30% от розничного прайса.
Почему выгодно работать с нами по проекту
Максимальная скидка
Мы защищаем проект у производителя и даем вам лучшие условия (от 10% до 30% в зависимости от объема).
Все бренды в одном счете
Комплектуем объект «под ключ»: IEK, ARMAT, GENERICA, LEDEL, FEREKS, ITK и другие линейки.
Экспертиза
Наши инженеры бесплатно проверят спецификацию на ошибки и предложат оптимальные замены или аналоги.
Логистика
Оперативная комплектация и отгрузка продукции по всей России. Участие в тендерах.
Основные линейки оборудования для проектов
Мы предлагаем полный спектр продукции IEK GROUP и партнерских брендов. Переходите в разделы для ознакомления с ассортиментом:
Как получить проектную скидку?
Отправьте спецификацию или проект на почту info@iek-snab.ru
Напишите название объекта и плановые сроки закупки для защиты проекта.
Мы вышлем коммерческое предложение с проектными ценами.
Остались вопросы?
Наши менеджеры готовы проконсультировать вас прямо сейчас.
Адрес: 117449, г. Москва, ул. Карьер, 2А строение 1, офис 307
Специализированные поставки для организаций: оплата только по безналу с НДС. Отгружаем продукцию с доставкой до вашего адреса в любом регионе РФ






