Корзина
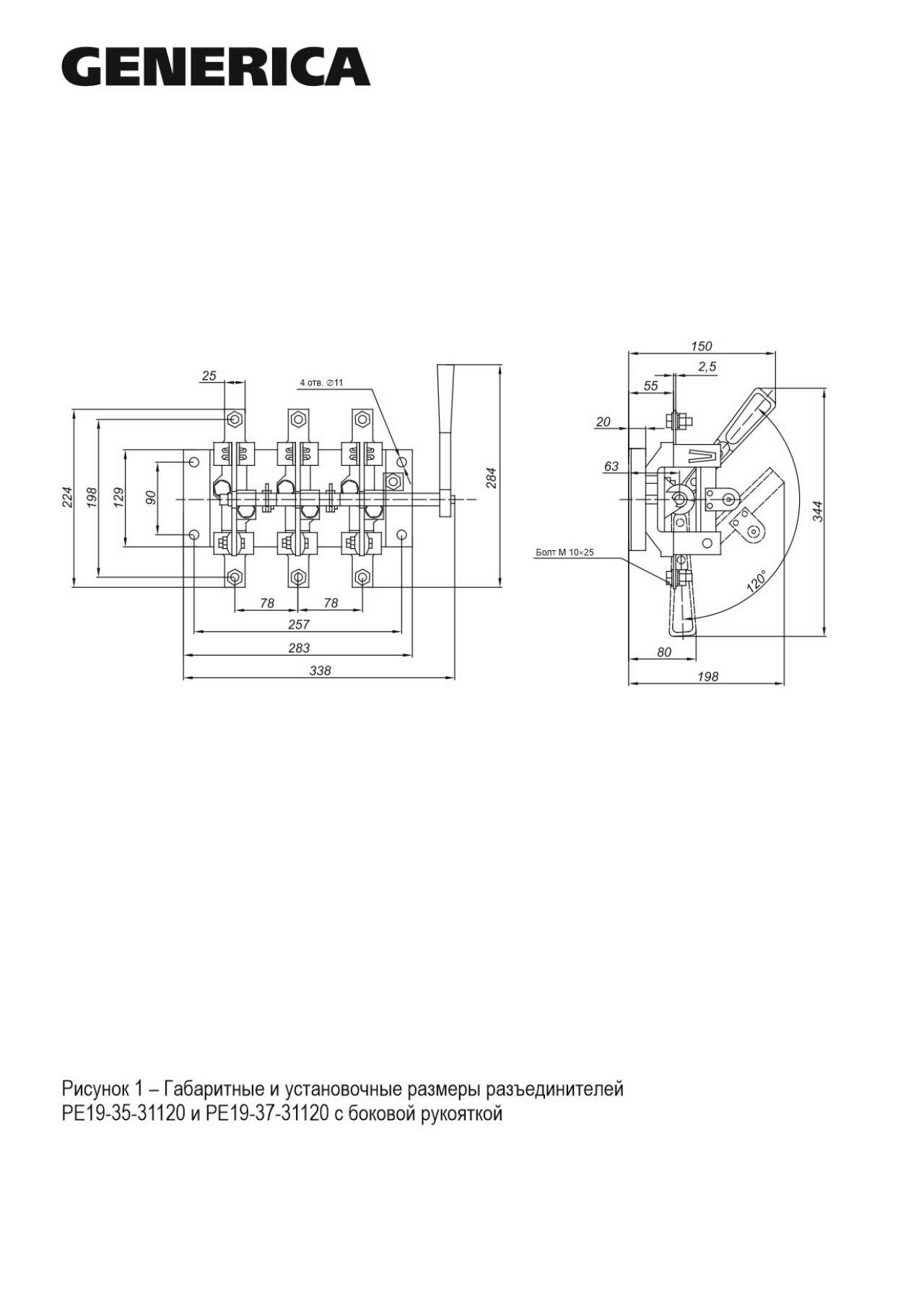
ОформитьРазъединитель РЕ19-37-31120 400А IEK
PE-31120-0400
Разъединители серии РЕ19 предназначены для проведения номинального тока и нечастых неавтоматических коммутаций электрических цепей без нагрузки номинальным напряжением до 1000 В переменного тока частоты 50, 60 Гц.
РЕ-19 IEK могут применяться в распределительных устройствах с номинальными токами от 250 до 1600А.
Разъединители серии РЕ-19 IEK соответствуют требованиям ГОСТ Р 50030.3.



Преимущества
- Удобство монтажа и эксплуатации.
- Низкие потери мощности за счет применения высококачественных материалов.
- Видимый разрыв цепи.
- Широкий ассортимент рукояток управления.
- Возможность присоединения медных и алюминиевых проводников.
Особенности конструкции

Широкий ассортимент рукояток управления.

Полный комплект метизов для установки и присоединения проводников.

Основание выполнено из прочных не поддерживающих горение материалов.

Контактные выводы, выполненные из высококачественной электротехнической меди с нанесенным защитным покрытием, позволяют присоединять медные и алюминиевые токопроводящие жилы, оконцованные кабельными наконечниками, а также медные и алюминиевые шины.

Контактная система ножевого типа обеспечивает видимый разрыв цепи.
Документация
Сертификаты
Паспорта и РЭ
Дополнительные изображения
Характеристики
- class Выключатель-разъединитель нагрузки
- Вид рукоятки ручного привода Боковая смещенная
- Гарантийный срок, Лет 5
- Климатическое исполнение УХЛ3
- Количество полюсов 3
- Компактная версия выкл-разъединителя Нет
- Конструкция прибора Встраиваемое устройство для встраиваемой техники
- Макс допустимое раб напряжение Ue AC 660
- Моторный привод - дополнительно Нет
- Номин напряжение изоляции Ui 660
- Номин продолжительный ток Iu 400
- Номин раб напряжение Ue 660
- Номин рабочее напряжение Ue -DC-20 В- 440
- Подходит для напольного монтажа Нет
- Подходит для промежуточного монтажа Нет
- Подходит для установки в распредел платы Нет
- Пригоден в кач предохранительного выкл Нет
- Пригоден в кач устр аварийной остановки Нет
- Пригоден в качестве главного выключателя Да
- Пригоден в качестве сервисного выкл-ля Нет
- Реверсивный переключатель Нет
- Степень защиты - IP IP00
- Степень защиты - IP передняя сторона IP00
- Тип подключения силовой электрич цепи Болтовое соединение
- Тип элемента управления Короткая поворотная ручка (узкий хват)
- Условный номин ток короткого замыкания Iq 26
- Частота 50/60 Гц
Отзывы (0)
Войдите или зарегистрируйтесь чтобы оставить отзыв
Подробнее...