Корзина
Оформить

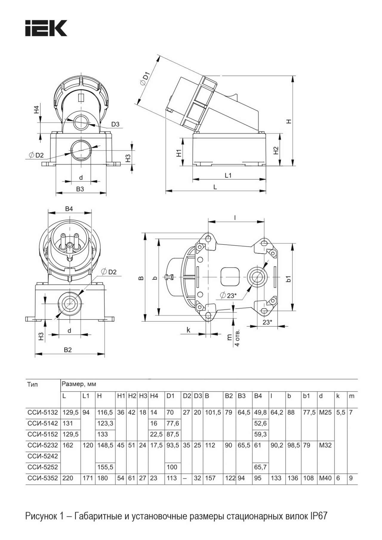
Вилка стационарная ССИ-5142 16А-6ч/380В 3P+PE IP67 IEK

PSR52-016-4-0-67
Силовые разъемы со степень защиты IP67 применяются при эксплуатации внутри помещений, где есть риск воздействия влаги и пыли, и на открытом воздухе совместно с мобильным электрооборудованием с кабельной системой питания и стационарным электрооборудованием однофазного и трехфазного исполнения. Предназначены для подключения строительного электрооборудования и электроинструмента, электроснабжения временных сооружений и бытовок, станков и другого промышленного оборудования, для электроснабжения спортивных сооружений и объектов культурно массовых мероприятий, гостиницах турбазах и т.д.

Преимущества

  • Сальник в комплекте сокращает время на поиск комплектующих.
  • 3 отверстия для наружного монтажа и 1 отверстие для внутреннего монтажа позволяют осуществлять ввод кабеля с разных сторон.
  • Допускается монтаж на открытую и закрытую проводку.
  • Степень защиты IP67.
  • Сертификация ROHS.

Класс: Силовой разъем CEE-монтаж на машинах (ID: EC001319)

IDОписаниеЗначениеЕд. изм.
EF002647IEC ток16А
IEK_F000048Диапазон раб напряжений380...415В
EF002963Номин частота50/60Гц
IEK_F000068Номин электр прочность изоляции690В
EF005474Степень защиты - IPIP67
EF006584Ориентация заземл контакта-по циферблату часов6ч
EF001391Количество полюсов4
EF000767Конструктивное исполнениеВилка наружного монтажа
EF002649Тип подключенияКлемма винтовая
EF004969Макс поперечное сечение проводника2,5мм²
IEK_F000079Число контактов3P+PE (трехфазн. 4-проводника)
IEK_F000080Фиксирующее устройствоБайонетное кольцо
IEK_F000078Наличие блокировкиБез блокировки
EF002169МатериалПластик
EF006725Цветовая кодировкаКрасный
EF002386Температура эксплуатации-25...40°C
EF006726Напряжение согл EN 60309-2400 В 50-60 ГЦ , красный
EF002655Фазовый инвертерНет
EF002650Профиль - угол вилкиНаклон./скошен./углов.
EF006050Исполнение для вооруженных силНет

Характеристики

  • class Силовой разъем CEE-монтаж на машинах
  • IEC ток 16
  • Гарантийный срок, Лет 1
  • Диапазон раб напряжений 380...415
  • Исполнение для вооруженных сил Нет
  • Количество полюсов 4
  • Конструктивное исполнение Вилка наружного монтажа
  • Макс поперечное сечение проводника 2,5
  • Материал Пластик
  • Наличие блокировки Без блокировки
  • Напряжение согл EN 60309-2 400 В 50-60 ГЦ , красный
  • Номин частота 50/60
  • Номин электр прочность изоляции 690
  • Ориентация заземл контакта-по циферблату часов 6
  • Профиль - угол вилки Наклон./скошен./углов.
  • Степень защиты - IP IP67
  • Температура эксплуатации -25...40
  • Тип подключения Клемма винтовая
  • Фазовый инвертер Нет
  • Фиксирующее устройство Байонетное кольцо
  • Цветовая кодировка Красный
  • Число контактов 3P+PE (трехфазн. 4-проводника)
В наличии на складе: 236 шт.
1766р.
  • На складе: 236
  • Код товара: PSR52-016-4-0-67
  • Артикул: PSR52-016-4-0-67

Отзывы (0)

Войдите или зарегистрируйтесь чтобы оставить отзыв

Спецпредложение для партнеров: Скидка от 10% до 30%

Запрос проектных цен на комплектацию строительных объектов и щитового оборудования.

У вас есть готовая спецификация, смета или перечень оборудования для крупного объекта?
Получите индивидуальные условия и оптимизируйте бюджет строительства с выгодой до 30% от розничного прайса.

Отправить спецификацию на расчет

Почему выгодно работать с нами по проекту

%
Максимальная скидка

Мы защищаем проект у производителя и даем вам лучшие условия (от 10% до 30% в зависимости от объема).

ALL
Все бренды в одном счете

Комплектуем объект «под ключ»: IEK, ARMAT, GENERICA, LEDEL, FEREKS, ITK и другие линейки.

Экспертиза

Наши инженеры бесплатно проверят спецификацию на ошибки и предложат оптимальные замены или аналоги.

🚚
Логистика

Оперативная комплектация и отгрузка продукции по всей России. Участие в тендерах.

Основные линейки оборудования для проектов

Мы предлагаем полный спектр продукции IEK GROUP и партнерских брендов. Переходите в разделы для ознакомления с ассортиментом:

Как получить проектную скидку?

1
Пришлите список
Отправьте спецификацию или проект на почту info@iek-snab.ru
2
Укажите объект
Напишите название объекта и плановые сроки закупки для защиты проекта.
3
Получите КП
Мы вышлем коммерческое предложение с проектными ценами.

Остались вопросы?

Наши менеджеры готовы проконсультировать вас прямо сейчас.

Адрес: 117449, г. Москва, ул. Карьер, 2А строение 1, офис 307