Корзина
Оформить

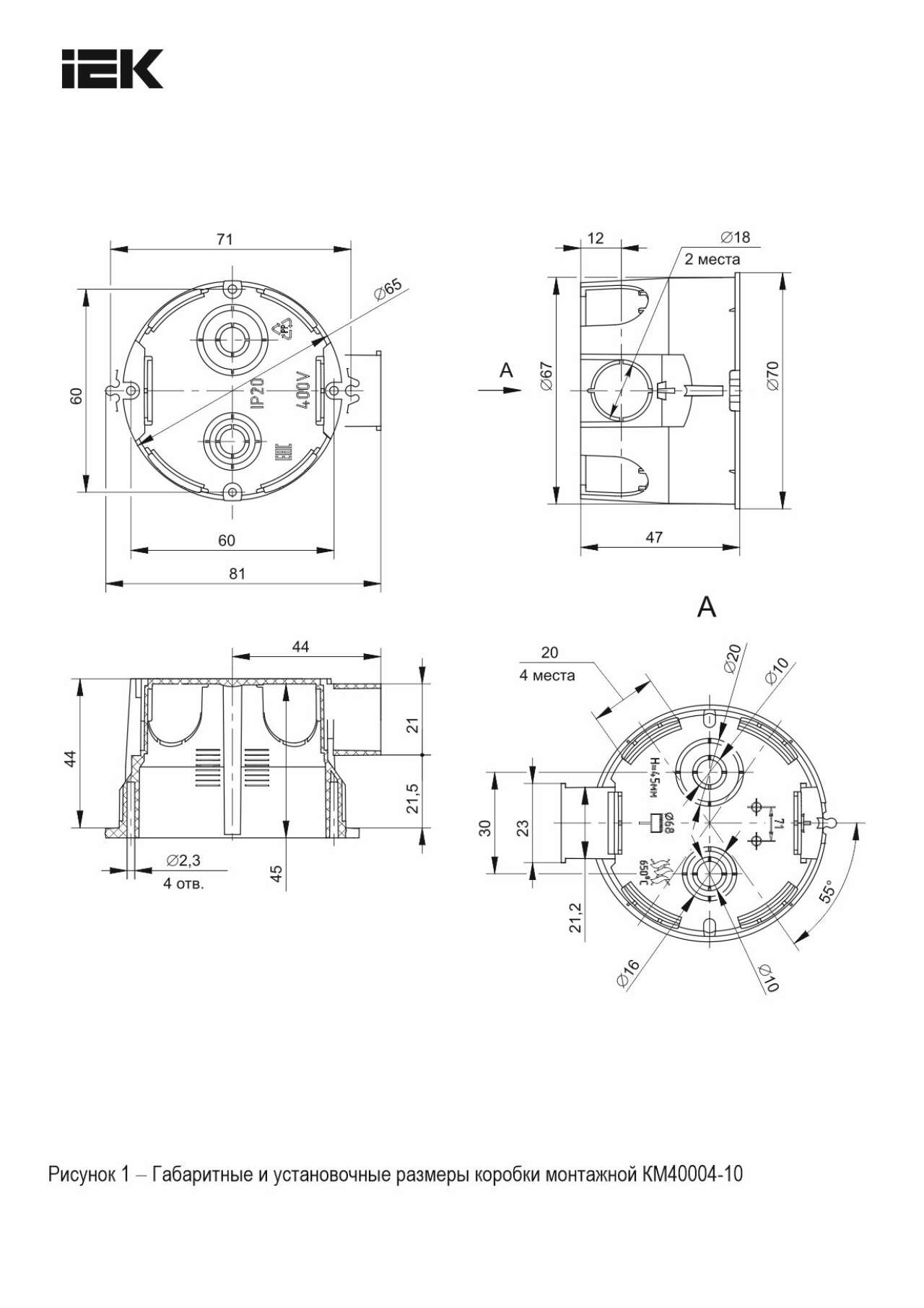
Коробка установочная КМ40004-10 блочная для твердых стен безгалогенная (HF) D=68х45мм (со стыковочным узлом) IEK

UKT10-068-045-000-A-S
Подрозетник с одним стыковочным узлом используется для установки в сплошные стены, например, из кирпича, бетона. Электроустановочные изделия креплениями 60 мм. фиксируются в коробке на винтах, которые идут в комплекте. Подрозетник имеет 8 пластиковых заглушек от 10 до 20 мм. для ввода кабеля или гофротрубы. Конструкция стыковочных узлов коробок позволяет соединять их между собой без аксессуаров с расстоянием между центрами 71 мм. Материал изготовления - полипропилен. Материал коробок является безгалогенным («HF» — halogen-free). Количество вводов: 4. Температура эксплуатации: -15...+60. Степень защиты: IP20. Цвет: зеленый. Размер: 68х45 мм.

Преимущества

  • Жесткая и надежная конструкция.
  • Удобный конструктив стыковочных узлов для соединения в блок.
  • Легкоудаляемые заглушки для ввода кабелей или труб.
  • Межцентровое расстояние соединенных коробок - 71мм.
  • Расстояние между точками крепления ЭУИ - 60мм.
  • Материал коробок является безгалогенным («HF» — halogen-free), не содержит вредных для здоровья веществ.

Класс: Коробка-корпус для встр настен-потол монт (ID: EC002601)

IDОписаниеЗначениеЕд. изм.
EF000003Тип монтажаСкрытого монтажа (в штукатурку)
EF000551Диаметр68мм
EF001438Длина-мм
EF000008Ширина68мм
EF005457Глубина45мм
EF000051ФормаКруглый (-ая)
EF003593Количество вводов8
IEK_F000815Кол-во мест1
EF000010Модель или исполнениеПрочее
EF002386Температура эксплуатации-5...60°C
EF000767Конструктивное исполнениеКонтактное гнездо
EF005474Степень защиты - IPIP30
EF004508Монтажное коммутационное оборудованиеВинт или распорка
EF000025Свободный от галогеновДа
EF002169МатериалПластик
EF004586Крепление крышкиНе применимо
EF007726КрышкаНет
EF000557Оснащение или установленное оборудованиеНет
EF000007ЦветЗеленый
EF004702Для электрич арматуры в количестве-

Характеристики

  • class Коробка-корпус для встр настен-потол монт
  • Гарантийный срок, Лет 2
  • Глубина 45
  • Диаметр 68
  • Длина -
  • Для электрич арматуры в количестве -
  • Кол-во мест 1
  • Количество вводов 8
  • Конструктивное исполнение Контактное гнездо
  • Крепление крышки Не применимо
  • Крышка Нет
  • Материал Пластик
  • Модель или исполнение Прочее
  • Монтажное коммутационное оборудование Винт или распорка
  • Оснащение или установленное оборудование Нет
  • Свободный от галогенов Да
  • Степень защиты - IP IP30
  • Температура эксплуатации -5...60
  • Тип монтажа Скрытого монтажа (в штукатурку)
  • Форма Круглый (-ая)
  • Цвет Зеленый
  • Ширина 68
В наличии на складе: 41338 шт.
18р.
  • На складе: 41338
  • Код товара: UKT10-068-045-000-A-S
  • Артикул: UKT10-068-045-000-A-S

Отзывы (0)

Войдите или зарегистрируйтесь чтобы оставить отзыв

Спецпредложение для партнеров: Скидка от 10% до 30%

Запрос проектных цен на комплектацию строительных объектов и щитового оборудования.

У вас есть готовая спецификация, смета или перечень оборудования для крупного объекта?
Получите индивидуальные условия и оптимизируйте бюджет строительства с выгодой до 30% от розничного прайса.

Отправить спецификацию на расчет

Почему выгодно работать с нами по проекту

%
Максимальная скидка

Мы защищаем проект у производителя и даем вам лучшие условия (от 10% до 30% в зависимости от объема).

ALL
Все бренды в одном счете

Комплектуем объект «под ключ»: IEK, ARMAT, GENERICA, LEDEL, FEREKS, ITK и другие линейки.

Экспертиза

Наши инженеры бесплатно проверят спецификацию на ошибки и предложат оптимальные замены или аналоги.

🚚
Логистика

Оперативная комплектация и отгрузка продукции по всей России. Участие в тендерах.

Основные линейки оборудования для проектов

Мы предлагаем полный спектр продукции IEK GROUP и партнерских брендов. Переходите в разделы для ознакомления с ассортиментом:

Как получить проектную скидку?

1
Пришлите список
Отправьте спецификацию или проект на почту info@iek-snab.ru
2
Укажите объект
Напишите название объекта и плановые сроки закупки для защиты проекта.
3
Получите КП
Мы вышлем коммерческое предложение с проектными ценами.

Остались вопросы?

Наши менеджеры готовы проконсультировать вас прямо сейчас.

Адрес: 117449, г. Москва, ул. Карьер, 2А строение 1, офис 307