Корзина
ОформитьДатчик движения ДД-024 1100Вт 120-360град 6м IP33 белый IEK
Преимущества
- Корпус датчика выполнен из не поддерживающего горения пластика (поликарбонат).
- В качестве коммутирующего нагрузку элемента использовано электромеханическое реле.
Комплект поставки
- Датчик движения - 1 шт.
- Саморез 3,0*3 - 2 шт.
- Дюбель 5*25 - 2 шт.
- Полиэтиленовый пакет - 1 шт.
- Руководство по эксплуатации. Паспорт - 1 экз.
Документация
Сертификаты
- Сертификат 004, 020
ЕАЭС RU С-CN.АЯ46.В.44052_25.pdf - Отказное письмо 123-ФЗ
275эп-14-2-7.pdf - Отказное письмо 043
304эп-14-2-7 от 29.12.2025.pdf - Отказное письмо ФЗ-123
303эп-14-2-7.pdf - Декларация 037
ЕАЭС N RU Д-CN.РА01.В.44918_25.pdf - Отказное письмо 123-ФЗ
303эп-14-2-7 от 29.12.2025.pdf - Отказное письмо 043
274эп-14-2-7.pdf - Сертификат 004, 020
RU C-CN.МЕ68.В.00389_23.pdf - Сертификат 004, 020
НА46.В.01103_21.pdf
Паспорта и РЭ
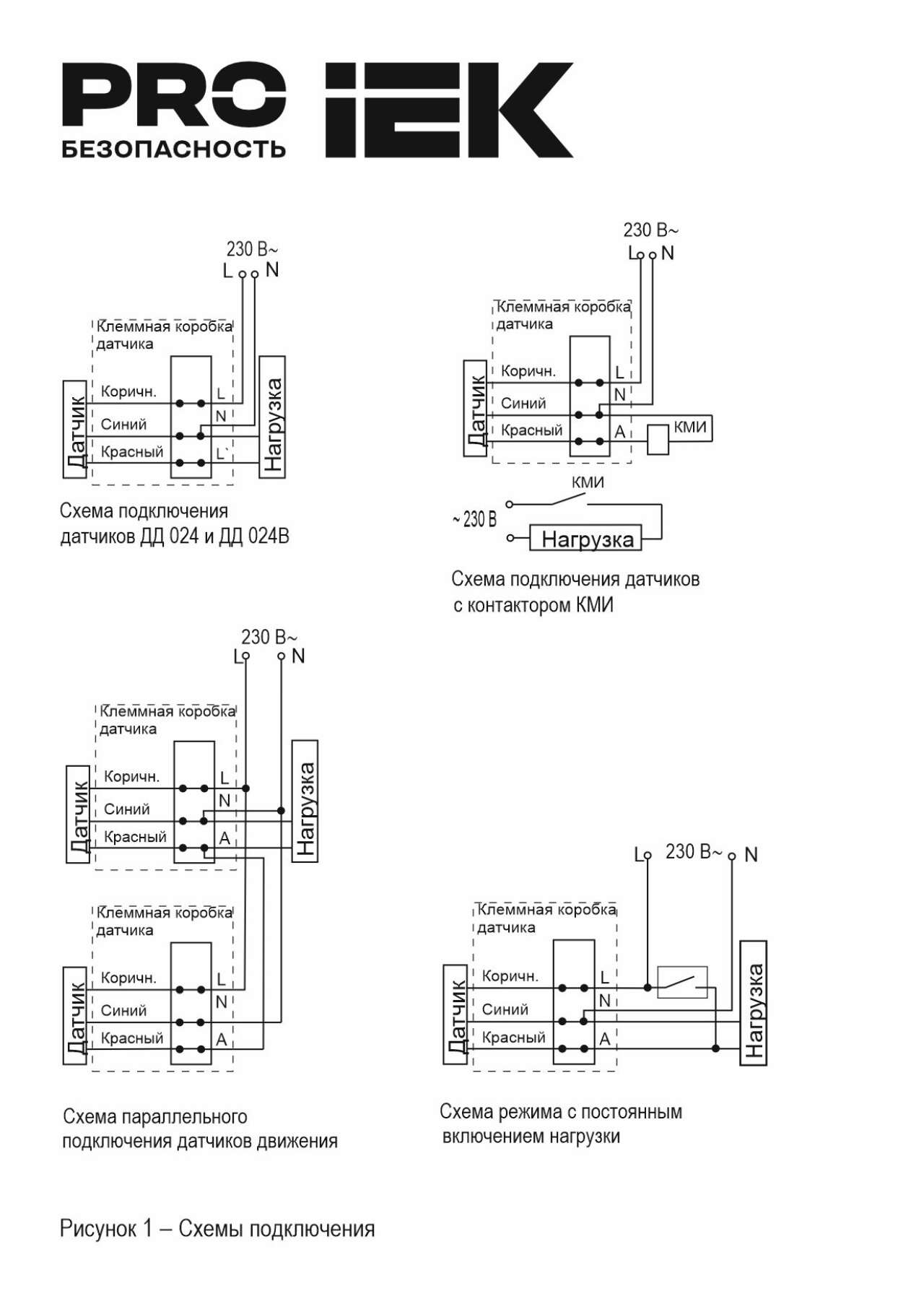
Схемы подключения
Дополнительные изображения
- Изображение
DD_024(V)_PRO_manual_1_G.jpg - Изображение
DD_024(В)_manual_5_DOP_MI.pdf - Изображение
DD_024(В)_manual_5_S.jpg - Изображение
DD-024_B_passport_102016 - ГЧ.jpg - Изображение
DD_024(V)_PRO_manual_1_S.jpg - Изображение
listovka_Datchik_dvizeniya_DD_v4_new.pdf - Изображение
LDD11-024-1100-001_DOP_1.png - Изображение
DD_024(V)_PRO_manual_1_DOP_MI.jpg
Класс: Датчики движения в сборе (ID: EC000133)
| ID | Описание | Значение | Ед. изм. |
|---|---|---|---|
| EF000007 | Цвет | Белый | |
| EF000010 | Модель или исполнение | Датчик движения | |
| EF001503 | Макс коммутационная мощность | 1100 | Вт |
| EF000003 | Тип монтажа | Поверхностн. монтажа (открыт. установка) | |
| IEK_F000526 | Макс мощн нагрузки для ламп накал | 1100 | Вт |
| EF005474 | Степень защиты - IP | IP3X | |
| EF008011 | Оптимальная высота установки | 4.0 | м |
| EF001323 | Макс дальность передачи в сторону | 6 | м |
| EF003814 | Порог срабатывания по освещённости | 3...2000 | лк |
| EF006581 | Угол обнаружения по вертикали | 120 | ° |
| EF006582 | Угол обнаружения по горизонтали | 360 | ° |
| EF003920 | Принудительное отключение | Нет | |
| EF003898 | Функция опред оптимального знач яркости | Нет | |
| EF006590 | Макс рабочий цикл | 7±2 | мин |
| EF003848 | Дистанционное управление | Нет | |
| EF003808 | Функция диммирования с механизмом диммера | Нет | |
| EF005624 | Функции тревоги | Нет | |
| EF002169 | Материал | Пластик | |
| EF000049 | Глубина | 58.8 | мм |
| IEK_F000529 | Чувствительность к инфракрасн излуч объекта | Да | |
| EF001322 | Макс дальность передачи по фронту | 6 | м |
| EF000187 | Тип напряжения | Переменный (AC) | |
| IEK_F000525 | Макс мощность во вкл состоянии | 1.00 | Вт |
| EF000416 | Частота | 50 | Гц |
| EF000015 | Наруж диаметр | 115 | мм |
| EF006569 | Тип поверхности | Не применимо | |
| IEK_F000533 | Регулировка радиуса действия | Нет | |
| EF003858 | HVAC или климат-контроль | Нет | |
| EF006311 | Зона реакции на животных | Нет | |
| EF001198 | Подходит для беспроводной передачи | Нет | |
| IEK_F001192 | Максимальная дальность обнаружения объекта | 6 | м |
| EF000002 | Номин напряжение | 230 | В |
| EF006243 | Прозрачный | Нет | |
| EF001257 | Вид или марка материала | Прочее | |
| IEK_F000511 | Сечение подключаемых проводников | 0,75...1,5 | мм² |
| IEK_F000527 | Макс мощн нагрузки для люминисц бесстарт ламп | 300 | ВА |
| IEK_F000004 | Климатическое исполнение | УЗ | |
| EF003863 | Постоянный контроль освещённости | Да | |
| EF000147 | Защита от проскальзывания | Нет | |
| EF003876 | Дополнит вход управления | Нет | |
| EF009569 | С интерфейсом DALI | Нет | |
| EF000139 | Защитное покрытие поверхности | Необработанная | |
| EF003904 | C возможностью включения в сеть | Нет | |
| EF003890 | С сигнальным устройством | Да | |
| EF003429 | Регул порога срабатывания по чувств | Да | |
| EF020270 | Тип датчика | Пассивный инфракрасный (PIR) | |
| EF000483 | С пультом дистанционного управления | Нет | |
| EF001099 | Шунтирующий переключатель | Нет | |
| IEK_F001191 | Коммутация нагрузки | Электромеханическое реле | |
| EF001098 | Ступенчатый мониторинг | Нет | |
| EF007575 | Регулировка порога срабатывания по освещ | Да | |
| IEK_F000075 | Класс защиты от поражения электрическим током | II | |
| IEK_F000528 | Мин рабочий цикл | 10±3 | сек |
| EF001731 | Температура | -25...45 | °C |
Характеристики
- C возможностью включения в сеть Нет
- class Датчики движения в сборе
- HVAC или климат-контроль Нет
- Вид или марка материала Прочее
- Гарантийный срок, Лет 7
- Глубина 58.8
- Дистанционное управление Нет
- Дополнит вход управления Нет
- Защита от проскальзывания Нет
- Защитное покрытие поверхности Необработанная
- Зона реакции на животных Нет
- Класс защиты от поражения электрическим током II
- Климатическое исполнение УЗ
- Коммутация нагрузки Электромеханическое реле
- Макс дальность передачи в сторону 6
- Макс дальность передачи по фронту 6
- Макс коммутационная мощность 1100
- Макс мощн нагрузки для ламп накал 1100
- Макс мощн нагрузки для люминисц бесстарт ламп 300
- Макс мощность во вкл состоянии 1.00
- Макс рабочий цикл 7±2
- Максимальная дальность обнаружения объекта 6
- Материал Пластик
- Мин рабочий цикл 10±3
- Модель или исполнение Датчик движения
- Наруж диаметр 115
- Номин напряжение 230
- Оптимальная высота установки 4.0
- Подходит для беспроводной передачи Нет
- Порог срабатывания по освещённости 3...2000
- Постоянный контроль освещённости Да
- Принудительное отключение Нет
- Прозрачный Нет
- Регул порога срабатывания по чувств Да
- Регулировка порога срабатывания по освещ Да
- Регулировка радиуса действия Нет
- С интерфейсом DALI Нет
- С пультом дистанционного управления Нет
- С сигнальным устройством Да
- Сечение подключаемых проводников 0,75...1,5
- Степень защиты - IP IP3X
- Ступенчатый мониторинг Нет
- Температура -25...45
- Тип датчика Пассивный инфракрасный (PIR)
- Тип монтажа Поверхностн. монтажа (открыт. установка)
- Тип напряжения Переменный (AC)
- Тип поверхности Не применимо
- Угол обнаружения по вертикали 120
- Угол обнаружения по горизонтали 360
- Функции тревоги Нет
- Функция диммирования с механизмом диммера Нет
- Функция опред оптимального знач яркости Нет
- Цвет Белый
- Частота 50
- Чувствительность к инфракрасн излуч объекта Да
- Шунтирующий переключатель Нет
Отзывы (0)
Войдите или зарегистрируйтесь чтобы оставить отзыв
Спецпредложение для партнеров: Скидка от 10% до 30%
Запрос проектных цен на комплектацию строительных объектов и щитового оборудования.
У вас есть готовая спецификация, смета или перечень оборудования для крупного объекта?
Получите индивидуальные условия и оптимизируйте бюджет строительства с выгодой до 30% от розничного прайса.
Почему выгодно работать с нами по проекту
Максимальная скидка
Мы защищаем проект у производителя и даем вам лучшие условия (от 10% до 30% в зависимости от объема).
Все бренды в одном счете
Комплектуем объект «под ключ»: IEK, ARMAT, GENERICA, LEDEL, FEREKS, ITK и другие линейки.
Экспертиза
Наши инженеры бесплатно проверят спецификацию на ошибки и предложат оптимальные замены или аналоги.
Логистика
Оперативная комплектация и отгрузка продукции по всей России. Участие в тендерах.
Основные линейки оборудования для проектов
Мы предлагаем полный спектр продукции IEK GROUP и партнерских брендов. Переходите в разделы для ознакомления с ассортиментом:
Как получить проектную скидку?
Отправьте спецификацию или проект на почту info@iek-snab.ru
Напишите название объекта и плановые сроки закупки для защиты проекта.
Мы вышлем коммерческое предложение с проектными ценами.
Остались вопросы?
Наши менеджеры готовы проконсультировать вас прямо сейчас.
Адрес: 117449, г. Москва, ул. Карьер, 2А строение 1, офис 307
Специализированные поставки для организаций: оплата только по безналу с НДС. Отгружаем продукцию с доставкой до вашего адреса в любом регионе РФ

