Корзина
ОформитьARMAT Автоматический выключатель M10N 1P Z 2А IEK
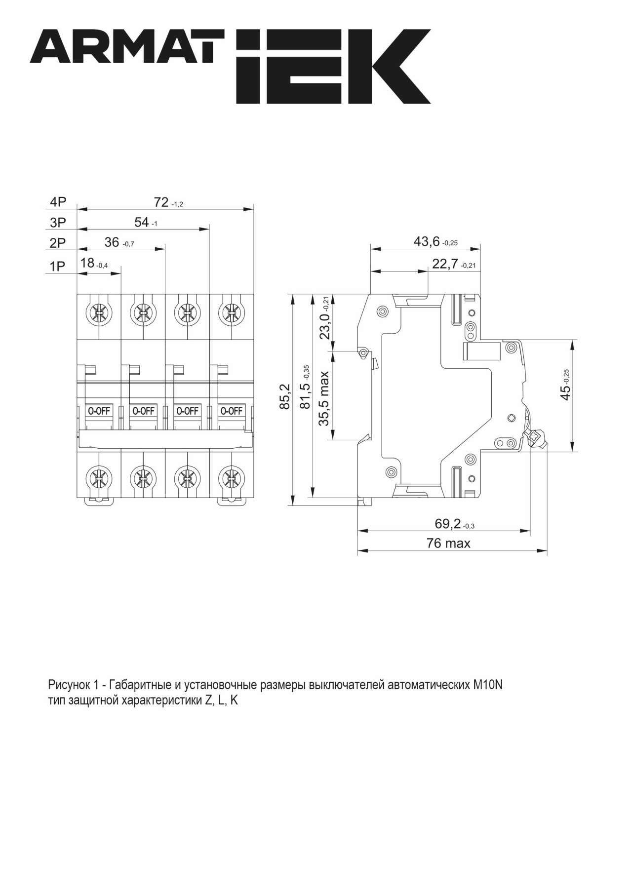
AR-M10N-1-Z002
Автоматические выключатели M10N предназначены для защиты распределительных и групповых цепей, имеющих различную нагрузку.
Модульные автоматические выключатели с характеристиками Z, K, L успешно прошли испытания по стандарту IEC 60947-2. Обладают всеми преимуществами модульного оборудования серии ARMAT: повышенной прочностью корпуса, усиленной дугогасительной камерой, независимым механизмом расцепления и т.д.
Данный тип выключателей рекомендуются к применению в вводно-распределительных устройствах для объектов промышленной и энергетической инфраструктуры.






Преимущества
- Высокий коммутационный ресурс 10 000 электрических циклов.
- Возможность подключения шин типа FORK с любой стороны автоматического выключателя.
- Защелка на DIN-рейку с 2-мя фиксированными положениями.
- Максимальный момент затяжки клемм до 5 Нм.
- Площадка для маркировки с прозрачной крышкой.
- Полное соответствие директиве ROHS.
- Высокая скорость срабатывания - класс токоограничения 3.
- Номинальная отключающая способность 10 кА.
- Предельная коммутационная способность от 10 до 50 кА (в зависимости от номинала).
Особенности конструкции

Керамическая межполюсная перегородка для более эффективного дугогашения

Маркировочная площадка с крышкой

Двухпозиционная защелка

Индикатор положения контактной группы

Напайка неподвижного контакта из композита серебра AgC4

8 заклепок корпуса для большей прочности корпуса

Дугогасительная камера типа деионная решетка из 14 омедненных ферромагнитных пластин

Механизм свободного расцепления с мгновенной коммутацией
Документация
Сертификаты
Дополнительные изображения
Отзывы по поставкам продукции от наших партнеров
Характеристики
- class Модульный автоматический выключатель
- Вес одного полюса 0,118
- Возможна дополнит комплектация Да
- Возможность присоединения шин PIN (штырь), FORK (вилка)
- Гарантийный срок, Лет 10
- Количество защищенных полюсов 1
- Количество полюсов 1
- Макс сечение входящего кабеля 25
- Мех износостойкость 20000
- Наличие взрывозащиты Без взрывозащиты
- Наличие дифференциального расцепителя Нет
- Наличие теплового расцепителя Да
- Наличие электромагнитного расцепителя Да
- Наличие электронного расцепителя Нет
- Номин импульсное выдерживаемое напряжение 6
- Номин напряжение изоляции Ui 500
- Номин отключающая способность при коротком замыкании EN 60898 пр 7.5
- Номин отключающая способность при коротком замыкании EN 60898 пр 7.5
- Номинальное рабочее напряжение 400
- Номинальный ток 2.0
- Общ количество полюсов 1
- Отключающая способность 7,5
- Отключение нейтрали Нет
- Подходит для выключателя-разъединителя Да
- Подходит для защитного выкл двигателя Нет
- Потери энергии 3.0
- Рабочая температура окружающей среды -5...40
- Режим работы Продолжительный-S1
- Ремонтопригодность Нет
- Сечение многожильного гибкого провода 1...25
- Сечение одножильного жёсткого провода 1...25
- Степень защиты - IP IP20
- Сфера применения Бытовое
- Тип монтажа на DIN-рейку
- Тип монтажной рейки ТН-35
- Тип напряжения Переменный (AC)
- Тип напряжения управления Переменный (AC)
- Тип подключения Винтовое соединение
- Тип расцепителя Тепловой, электромагнитный
- Характеристика срабатывания - кривая тока Z
- Частота 50,50
- Ширина по количеству модульных расстояний 1
- Электр износостойкость 10000
Отзывы (0)
Войдите или зарегистрируйтесь чтобы оставить отзыв
Рекомендуемые товары
-23%
На складе ARMAT Аварийный контакт AR-AUX-AC 240...415В IEK
В наличии на складе: 441 шт.
Цена
960р.
1240р.
На складе ARMAT Переключаемый контакт AR-AUX-DC 240...415В IEK
В наличии на складе: 1057 шт.
Цена
2130р.
На складе ARMAT Расцепитель максимального напряжения AR-AUX-OR 220...240В IEK
В наличии на складе: 3321 шт.
Цена
1960р.
-18%
На складе ARMAT Контакт состояния AR-AUX-SC 240...415В IEK
В наличии на складе: 1663 шт.
Цена
1600р.
1960р.
-19%
На складе ARMAT Независимый расцепитель AR-AUX-SR 100...415В IEK
В наличии на складе: 861 шт.
Цена
2640р.
3270р.
-18%
На складе ARMAT Независимый расцепитель с индикацией AR-AUX-SR-I 100…415В IEK
В наличии на складе: 148 шт.
Цена
2410р.
2940р.
На складе ARMAT Независимый расцепитель AR-AUX-SR 12…24В IEK
В наличии на складе: 630 шт.
Цена
2810р.
-25%
На складе ARMAT Независимый расцепитель с инд. AR-AUX-SR-I 12…24В IEK
В наличии на складе: 138 шт.
Цена
2200р.
2940р.
-21%
На складе ARMAT Независимый расцепитель AR-AUX-SR 48В IEK
В наличии на складе: 838 шт.
Цена
1620р.
2060р.
-23%
На складе ARMAT Независимый расцепитель с инд. AR-AUX-SR-I 48В IEK
В наличии на складе: 381 шт.
Цена
2260р.
2940р.
-22%
На складе ARMAT Расцепитель минимального напряжения AR-AUX-UR 220...240В IEK
В наличии на складе: 2970 шт.
Цена
1450р.
1860р.
На складе ARMAT Расцепитель минимального напряжения с выдержкой AR-AUX-URT 220…240В IEK
В наличии на складе: 222 шт.
Цена
2060р.
Подробнее...