Корзина
ОформитьARMAT Аварийный контакт AR-AUX-AC 240...415В IEK
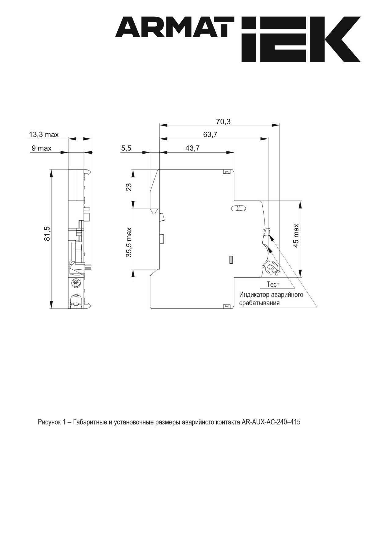
AR-AUX-AC-240-415
Аварийный контакт ARMAT AUX-AC служит для получения информации о состоянии автоматических выключателей ARMAT cерий M06N и M10N в системах автоматизации технологических процессов или защиты конкретных объектов. ARMAT AUX-AC выполняет функцию сигнализации положения механизма взвода выключателей ARMAT cерий M06N или M10N.
После установки модуля в зацепление с механизмом выключателей ARMAT cерий M06N или M10N при первом взведении рукоятки управления происходит переключение контактов, остающихся в таком положении и при ручном отключении ВА. Переключение контактов произойдет только при срабатывании выключателя от сверхтоков (перегрузки или короткого замыкания).







Преимущества
- Безвинтовое крепление к автоматическим выключателям M06N и M10N ARMAT.
Особенности конструкции

Расцепитель AR-AUX-URT оснащен выдержкой времени 0,2 с

Быстрое крепление на защелках

Крепление до 4-х дополнительных устройств одновременно

Переключаемая топология контактной системы AR-AUX-DC. Можно выбрать: АК+КС или КС+КС

Расцепители имеют типоисполнение с индикацией срабатывания

Дополнительные устройства серии AUX имеют быстрое крепление на защелках

Универсальность применения как на переменном токе (АС), так и на постоянном токе (DC)

Дополнительные контакты AR-AUX-AC и AR-AUX-DC имеют функцию тест, для имитации аварийного отключения

Индикатор топологии контактной системы для AR-AUX-DC
Документация
Сертификаты
Схемы подключения
Дополнительные изображения
- Изображение
AR-AUX-AC-240-415_DOP_7.jpg - Изображение
MVK_ARMAT_passp_ru-eng_3_S2.jpg - Изображение
AR-AUX-AC-240-415_DOP_9.jpg - Изображение
AR-AUX-AC-240-415_DOP_11.jpg - Изображение
AR-AUX-AC-240-415_DOP_3.jpg - Изображение
MVK_ARMAT_passp_ru-eng_3_DOP_MI.jpg - Изображение
AR-AUX-AC-240-415_DOP_5.jpg - Изображение
AR-AUX-AC-240-415_DOP_4.jpg - Изображение
AR-AUX-AC-240-415_DOP_10.jpg - Изображение
AR-AUX-AC-240-415_DOP_2.jpg - Изображение
MVK_ARMAT_passp_ru-eng_3_G2.jpg - Изображение
Listovka_IEK_AUX.pdf - Изображение
AR-AUX-AC-240-415_DOP_6.jpg - Изображение
AR-AUX-AC-240-415_DOP_8.jpg
Модели для проектировщиков
Отзывы по поставкам продукции от наших партнеров
Характеристики
- class Блок вспомогательных контактов
- Вес 36
- Высота 81.5
- Гарантийный срок, Лет 10
- Глубина 75.6
- Износостойкость 10000
- Индикация срабатывания Да
- Кол-во норм разомкнутых - НО контактов 1
- Кол-во нормально замкнутых - НЗ контактов 1
- Количество сигнальных контактов 2
- Номин напряжение изоляции Ui 415
- Номин раб напряжение 240...415
- Номин рабочий ток Ie при AC-15 230 В -
- Подходит для силового выключателя Нет
- Сечение проводника 1...2,5
- Совместимость ARMAT
- Степень защиты - IP IP20
- Тип монтажа Боковое крепление
- Тип подключения Винтовое соединение
- Условн тепловой ток аварийного контакта 6.0
- Условн тепловой ток доп контакта 6.0
- Ширина 9.0
Отзывы (0)
Войдите или зарегистрируйтесь чтобы оставить отзыв
Рекомендуемые товары
На складе ARMAT Автоматический выключатель M06N-DC 1P B 1А IEK
В наличии на складе: 799 шт.
Цена
2510р.
На складе ARMAT Автоматический выключатель M06N 1P B 2А IEK
В наличии на складе: 209 шт.
Цена
1170р.
На складе ARMAT Автоматический выключатель M06N-DC 1P B 2А IEK
В наличии на складе: 970 шт.
Цена
2510р.
На складе ARMAT Автоматический выключатель M06N 1P B 3А IEK
В наличии на складе: 198 шт.
Цена
1160р.
На складе ARMAT Автоматический выключатель M06N-DC 1P B 3А IEK
В наличии на складе: 852 шт.
Цена
2510р.
На складе ARMAT Автоматический выключатель M06N 1P B 4А IEK
В наличии на складе: 213 шт.
Цена
1260р.
На складе ARMAT Автоматический выключатель M06N-DC 1P B 4А IEK
В наличии на складе: 1030 шт.
Цена
2360р.
На складе ARMAT Автоматический выключатель M06N 1P B 5А IEK
В наличии на складе: 204 шт.
Цена
1380р.
На складе ARMAT Автоматический выключатель M06N-DC 1P B 5А IEK
В наличии на складе: 1095 шт.
Цена
2360р.
-18%
На складе ARMAT Автоматический выключатель M06N 1P B 6А IEK
В наличии на складе: 426 шт.
Цена
620р.
760р.
На складе ARMAT Автоматический выключатель M06N-DC 1P B 6А IEK
В наличии на складе: 754 шт.
Цена
2360р.
-26%
На складе ARMAT Автоматический выключатель M06N 1P B 10А IEK
В наличии на складе: 7695 шт.
Цена
140р.
190р.
На складе ARMAT Автоматический выключатель M06N-DC 1P B 10А IEK
В наличии на складе: 874 шт.
Цена
2220р.
На складе ARMAT Автоматический выключатель M06N 1P B 13А IEK
В наличии на складе: 29 шт.
Цена
1290р.
На складе ARMAT Автоматический выключатель M06N-DC 1P B 13А IEK
В наличии на складе: 1116 шт.
Цена
2220р.
-21%
На складе ARMAT Автоматический выключатель M06N 1P B 16А IEK
В наличии на складе: 1347 шт.
Цена
150р.
190р.
На складе ARMAT Автоматический выключатель M06N-DC 1P B 20А IEK
В наличии на складе: 1144 шт.
Цена
2220р.
На складе ARMAT Автоматический выключатель M06N 1P B 25А IEK
В наличии на складе: 506 шт.
Цена
650р.
На складе ARMAT Автоматический выключатель M06N-DC 1P B 25А IEK
В наличии на складе: 1004 шт.
Цена
2220р.
На складе ARMAT Автоматический выключатель M06N-DC 1P B 32А IEK
В наличии на складе: 1066 шт.
Цена
2360р.
На складе ARMAT Автоматический выключатель M06N-DC 1P B 40А IEK
В наличии на складе: 1180 шт.
Цена
2360р.
На складе ARMAT Автоматический выключатель M06N-DC 1P B 50А IEK
В наличии на складе: 983 шт.
Цена
2510р.
На складе ARMAT Автоматический выключатель M06N 1P B 63А IEK
В наличии на складе: 55 шт.
Цена
1180р.
На складе ARMAT Автоматический выключатель M06N-DC 1P B 0,5А IEK
В наличии на складе: 12 шт.
Цена
2510р.
-25%
На складе ARMAT Автоматический выключатель M06N 1P C 1А IEK
В наличии на складе: 3231 шт.
Цена
660р.
880р.
На складе ARMAT Автоматический выключатель M06N-DC 1P C 1А IEK
В наличии на складе: 468 шт.
Цена
1880р.
-24%
На складе ARMAT Автоматический выключатель M06N 1P C 2А IEK
В наличии на складе: 311 шт.
Цена
670р.
880р.
На складе ARMAT Автоматический выключатель M06N-DC 1P C 2А IEK
В наличии на складе: 88 шт.
Цена
1880р.
На складе ARMAT Автоматический выключатель M06N 1P C 3А IEK
В наличии на складе: 7897 шт.
Цена
880р.
На складе ARMAT Автоматический выключатель M06N-DC 1P C 3А IEK
В наличии на складе: 906 шт.
Цена
1880р.
На складе ARMAT Автоматический выключатель M06N-DC 1P C 4А IEK
В наличии на складе: 208 шт.
Цена
1770р.
На складе ARMAT Автоматический выключатель M06N-DC 1P C 5А IEK
В наличии на складе: 836 шт.
Цена
2360р.
На складе ARMAT Автоматический выключатель M06N 1P C 6А IEK
В наличии на складе: 18503 шт.
Цена
570р.
На складе ARMAT Автоматический выключатель M06N-DC 1P C 6А IEK
В наличии на складе: 370 шт.
Цена
1770р.
На складе ARMAT Автоматический выключатель M06N 1P C 8А IEK
В наличии на складе: 190 шт.
Цена
1190р.
На складе ARMAT Автоматический выключатель M06N 1P C 10А IEK
В наличии на складе: 24227 шт.
Цена
510р.
На складе ARMAT Автоматический выключатель M06N-DC 1P C 10А IEK
В наличии на складе: 127 шт.
Цена
1670р.
На складе ARMAT Автоматический выключатель M06N-DC 1P C 13А IEK
В наличии на складе: 1055 шт.
Цена
1670р.
На складе ARMAT Автоматический выключатель M06N 1P C 16А IEK
В наличии на складе: 31255 шт.
Цена
450р.
На складе ARMAT Автоматический выключатель M06N-DC 1P C 16А IEK
В наличии на складе: 252 шт.
Цена
1670р.
-16%
На складе ARMAT Автоматический выключатель M06N 1P C 20А IEK
В наличии на складе: 7738 шт.
Цена
430р.
510р.
На складе ARMAT Автоматический выключатель M06N-DC 1P C 20А IEK
В наличии на складе: 644 шт.
Цена
1670р.
-22%
На складе ARMAT Автоматический выключатель M06N 1P C 25А IEK
В наличии на складе: 34976 шт.
Цена
390р.
500р.
На складе ARMAT Автоматический выключатель M06N-DC 1P C 25А IEK
В наличии на складе: 259 шт.
Цена
1670р.
-19%
На складе ARMAT Автоматический выключатель M06N 1P C 32А IEK
В наличии на складе: 2054 шт.
Цена
460р.
570р.
На складе ARMAT Автоматический выключатель M06N-DC 1P C 32А IEK
В наличии на складе: 448 шт.
Цена
1770р.
На складе ARMAT Автоматический выключатель M06N 1P C 40А IEK
В наличии на складе: 3506 шт.
Цена
620р.
На складе ARMAT Автоматический выключатель M06N-DC 1P C 40А IEK
В наличии на складе: 546 шт.
Цена
1770р.
На складе ARMAT Автоматический выключатель M06N 1P C 50А IEK
В наличии на складе: 593 шт.
Цена
890р.
На складе ARMAT Автоматический выключатель M06N-DC 1P C 50А IEK
В наличии на складе: 410 шт.
Цена
1880р.
На складе ARMAT Автоматический выключатель M06N 1P C 63А IEK
В наличии на складе: 1636 шт.
Цена
940р.
На складе ARMAT Автоматический выключатель M06N-DC 1P C 0,5А IEK
В наличии на складе: 71 шт.
Цена
2370р.
На складе ARMAT Автоматический выключатель M06N 1P C 2,5А IEK
В наличии на складе: 73 шт.
Цена
920р.
На складе ARMAT Автоматический выключатель M06N 1P D 1А IEK
В наличии на складе: 130 шт.
Цена
1240р.
На складе ARMAT Автоматический выключатель M06N 1P D 2А IEK
В наличии на складе: 229 шт.
Цена
1320р.
-15%
На складе ARMAT Автоматический выключатель M06N 1P D 3А IEK
В наличии на складе: 1106 шт.
Цена
1120р.
1320р.
-17%
На складе ARMAT Автоматический выключатель M06N 1P D 4А IEK
В наличии на складе: 1602 шт.
Цена
1110р.
1330р.
На складе ARMAT Автоматический выключатель M06N 1P D 5А IEK
В наличии на складе: 121 шт.
Цена
1200р.
На складе ARMAT Автоматический выключатель M06N 1P D 10А IEK
В наличии на складе: 633 шт.
Цена
720р.
На складе ARMAT Автоматический выключатель M06N 1P D 13А IEK
В наличии на складе: 13 шт.
Цена
1260р.
На складе ARMAT Автоматический выключатель M06N 1P D 16А IEK
В наличии на складе: 574 шт.
Цена
730р.
На складе ARMAT Автоматический выключатель M06N 1P D 32А IEK
В наличии на складе: 224 шт.
Цена
810р.
На складе ARMAT Автоматический выключатель M06N 1P D 40А IEK
В наличии на складе: 80 шт.
Цена
1230р.
На складе ARMAT Автоматический выключатель M06N 1P D 50А IEK
В наличии на складе: 214 шт.
Цена
1250р.
На складе ARMAT Автоматический выключатель M06N 1P D 63А IEK
В наличии на складе: 173 шт.
Цена
1280р.
На складе ARMAT Автоматический выключатель M06N-DC 1P K 1А IEK
В наличии на складе: 1183 шт.
Цена
6420р.
На складе ARMAT Автоматический выключатель M06N-DC 1P K 2А IEK
В наличии на складе: 1165 шт.
Цена
6420р.
На складе ARMAT Автоматический выключатель M06N-DC 1P K 3А IEK
В наличии на складе: 1178 шт.
Цена
6420р.
На складе ARMAT Автоматический выключатель M06N-DC 1P K 5А IEK
В наличии на складе: 1185 шт.
Цена
6030р.
На складе ARMAT Автоматический выключатель M06N-DC 1P K 6А IEK
В наличии на складе: 1162 шт.
Цена
6030р.
На складе ARMAT Автоматический выключатель M06N-DC 1P K 10А IEK
В наличии на складе: 1184 шт.
Цена
5680р.
На складе ARMAT Автоматический выключатель M06N-DC 1P K 20А IEK
В наличии на складе: 1058 шт.
Цена
5680р.
На складе ARMAT Автоматический выключатель M06N-DC 1P L 1А IEK
В наличии на складе: 1115 шт.
Цена
7160р.
На складе ARMAT Автоматический выключатель M06N-DC 1P L 2А IEK
В наличии на складе: 1108 шт.
Цена
7160р.
На складе ARMAT Автоматический выключатель M06N-DC 1P L 3А IEK
В наличии на складе: 105 шт.
Цена
7160р.
На складе ARMAT Автоматический выключатель M06N-DC 1P L 6А IEK
В наличии на складе: 1109 шт.
Цена
6730р.
На складе ARMAT Автоматический выключатель M06N-DC 1P L 10А IEK
В наличии на складе: 1164 шт.
Цена
6330р.
На складе ARMAT Автоматический выключатель M06N-DC 1P L 25А IEK
В наличии на складе: 850 шт.
Цена
6330р.
На складе ARMAT Автоматический выключатель M06N-DC 1P L 32А IEK
В наличии на складе: 1174 шт.
Цена
6730р.
На складе ARMAT Автоматический выключатель M06N-DC 1P Z 4А IEK
В наличии на складе: 1146 шт.
Цена
8860р.
На складе ARMAT Автоматический выключатель M06N-DC 1P Z 6А IEK
В наличии на складе: 1146 шт.
Цена
8860р.
На складе ARMAT Автоматический выключатель M06N-DC 1P Z 16А IEK
В наличии на складе: 1134 шт.
Цена
8330р.
На складе ARMAT Автоматический выключатель M06N 2P B 1А IEK
В наличии на складе: 308 шт.
Цена
2500р.
На складе ARMAT Автоматический выключатель M06N-DC 2P B 1А IEK
В наличии на складе: 461 шт.
Цена
6110р.
На складе ARMAT Автоматический выключатель M06N-DC 2P B 2А IEK
В наличии на складе: 1056 шт.
Цена
6110р.
На складе ARMAT Автоматический выключатель M06N 2P B 3А IEK
В наличии на складе: 191 шт.
Цена
2520р.
На складе ARMAT Автоматический выключатель M06N-DC 2P B 3А IEK
В наличии на складе: 453 шт.
Цена
6110р.
На складе ARMAT Автоматический выключатель M06N 2P B 4А IEK
В наличии на складе: 112 шт.
Цена
2490р.
На складе ARMAT Автоматический выключатель M06N-DC 2P B 4А IEK
В наличии на складе: 933 шт.
Цена
5720р.
На складе ARMAT Автоматический выключатель M06N 2P B 5А IEK
В наличии на складе: 354 шт.
Цена
2490р.
На складе ARMAT Автоматический выключатель M06N-DC 2P B 5А IEK
В наличии на складе: 589 шт.
Цена
5720р.
На складе ARMAT Автоматический выключатель M06N 2P B 6А IEK
В наличии на складе: 2496 шт.
Цена
1780р.
На складе ARMAT Автоматический выключатель M06N-DC 2P B 6А IEK
В наличии на складе: 690 шт.
Цена
5720р.
На складе ARMAT Автоматический выключатель M06N 2P B 8А IEK
В наличии на складе: 412 шт.
Цена
2750р.
На складе ARMAT Автоматический выключатель M06N 2P B 10А IEK
В наличии на складе: 430 шт.
Цена
1710р.
На складе ARMAT Автоматический выключатель M06N-DC 2P B 10А IEK
В наличии на складе: 2044 шт.
Цена
5060р.
На складе ARMAT Автоматический выключатель M06N-DC 2P B 13А IEK
В наличии на складе: 534 шт.
Цена
5060р.
-18%
На складе ARMAT Автоматический выключатель M06N 2P B 16А IEK
В наличии на складе: 183 шт.
Цена
1280р.
1570р.
На складе ARMAT Автоматический выключатель M06N-DC 2P B 16А IEK
В наличии на складе: 1020 шт.
Цена
5060р.
На складе ARMAT Автоматический выключатель M06N 2P B 20А IEK
В наличии на складе: 31 шт.
Цена
1800р.
На складе ARMAT Автоматический выключатель M06N-DC 2P B 20А IEK
В наличии на складе: 557 шт.
Цена
5330р.
На складе ARMAT Автоматический выключатель M06N 2P B 25А IEK
В наличии на складе: 16 шт.
Цена
1800р.
На складе ARMAT Автоматический выключатель M06N-DC 2P B 25А IEK
В наличии на складе: 555 шт.
Цена
5330р.
На складе ARMAT Автоматический выключатель M06N 2P B 32А IEK
В наличии на складе: 12 шт.
Цена
2070р.
На складе ARMAT Автоматический выключатель M06N-DC 2P B 32А IEK
В наличии на складе: 565 шт.
Цена
5720р.
-18%
На складе ARMAT Автоматический выключатель M06N 2P B 40А IEK
В наличии на складе: 634 шт.
Цена
1770р.
2160р.
На складе ARMAT Автоматический выключатель M06N-DC 2P B 40А IEK
В наличии на складе: 583 шт.
Цена
6580р.
На складе ARMAT Автоматический выключатель M06N 2P B 50А IEK
В наличии на складе: 551 шт.
Цена
2420р.
На складе ARMAT Автоматический выключатель M06N-DC 2P B 50А IEK
В наличии на складе: 555 шт.
Цена
6970р.
На складе ARMAT Автоматический выключатель M06N-DC 2P B 63А IEK
В наличии на складе: 54 шт.
Цена
7530р.
На складе ARMAT Автоматический выключатель M06N-DC 2P B 0,5А IEK
В наличии на складе: 10 шт.
Цена
7940р.
На складе ARMAT Автоматический выключатель M06N 2P C 1А IEK
В наличии на складе: 255 шт.
Цена
2130р.
На складе ARMAT Автоматический выключатель M06N-DC 2P C 1А IEK
В наличии на складе: 1716 шт.
Цена
3660р.
-20%
На складе ARMAT Автоматический выключатель M06N 2P C 2А IEK
В наличии на складе: 1868 шт.
Цена
1720р.
2150р.
На складе ARMAT Автоматический выключатель M06N-DC 2P C 2А IEK
В наличии на складе: 65 шт.
Цена
3660р.
На складе ARMAT Автоматический выключатель M06N 2P C 3А IEK
В наличии на складе: 2711 шт.
Цена
2150р.
На складе ARMAT Автоматический выключатель M06N-DC 2P C 3А IEK
В наличии на складе: 259 шт.
Цена
3660р.
На складе ARMAT Автоматический выключатель M06N 2P C 4А IEK
В наличии на складе: 1812 шт.
Цена
2140р.
На складе ARMAT Автоматический выключатель M06N-DC 2P C 4А IEK
В наличии на складе: 114 шт.
Цена
3430р.
На складе ARMAT Автоматический выключатель M06N 2P C 5А IEK
В наличии на складе: 110 шт.
Цена
2140р.
На складе ARMAT Автоматический выключатель M06N-DC 2P C 5А IEK
В наличии на складе: 337 шт.
Цена
3430р.
На складе ARMAT Автоматический выключатель M06N 2P C 6А IEK
В наличии на складе: 3822 шт.
Цена
1440р.
На складе ARMAT Автоматический выключатель M06N-DC 2P C 6А IEK
В наличии на складе: 861 шт.
Цена
3430р.
На складе ARMAT Автоматический выключатель M06N 2P C 8А IEK
В наличии на складе: 188 шт.
Цена
2150р.
На складе ARMAT Автоматический выключатель M06N 2P C 10А IEK
В наличии на складе: 1188 шт.
Цена
1420р.
На складе ARMAT Автоматический выключатель M06N-DC 2P C 10А IEK
В наличии на складе: 925 шт.
Цена
3200р.
На складе ARMAT Автоматический выключатель M06N 2P C 13А IEK
В наличии на складе: 48 шт.
Цена
2290р.
На складе ARMAT Автоматический выключатель M06N-DC 2P C 13А IEK
В наличии на складе: 474 шт.
Цена
3200р.
-24%
На складе ARMAT Автоматический выключатель M06N 2P C 16А IEK
В наличии на складе: 7763 шт.
Цена
870р.
1140р.
На складе ARMAT Автоматический выключатель M06N-DC 2P C 16А IEK
В наличии на складе: 270 шт.
Цена
3200р.
На складе ARMAT Автоматический выключатель M06N 2P C 20А IEK
В наличии на складе: 513 шт.
Цена
1170р.
На складе ARMAT Автоматический выключатель M06N-DC 2P C 20А IEK
В наличии на складе: 1623 шт.
Цена
3200р.
На складе ARMAT Автоматический выключатель M06N 2P C 25А IEK
В наличии на складе: 873 шт.
Цена
1140р.
На складе ARMAT Автоматический выключатель M06N-DC 2P C 25А IEK
В наличии на складе: 420 шт.
Цена
3200р.
-21%
На складе ARMAT Автоматический выключатель M06N 2P C 32А IEK
В наличии на складе: 592 шт.
Цена
1040р.
1310р.
На складе ARMAT Автоматический выключатель M06N-DC 2P C 32А IEK
В наличии на складе: 223 шт.
Цена
4290р.
На складе ARMAT Автоматический выключатель M06N 2P C 40А IEK
В наличии на складе: 401 шт.
Цена
1720р.
На складе ARMAT Автоматический выключатель M06N-DC 2P C 40А IEK
В наличии на складе: 1910 шт.
Цена
4860р.
-20%
На складе ARMAT Автоматический выключатель M06N 2P C 50А IEK
В наличии на складе: 500 шт.
Цена
1660р.
2080р.
На складе ARMAT Автоматический выключатель M06N-DC 2P C 50А IEK
В наличии на складе: 194 шт.
Цена
6060р.
На складе ARMAT Автоматический выключатель M06N 2P C 63А IEK
В наличии на складе: 1074 шт.
Цена
2400р.
На складе ARMAT Автоматический выключатель M06N-DC 2P C 0,5А IEK
В наличии на складе: 193 шт.
Цена
3660р.
На складе ARMAT Автоматический выключатель M06N 2P D 1А IEK
В наличии на складе: 359 шт.
Цена
2660р.
На складе ARMAT Автоматический выключатель M06N 2P D 2А IEK
В наличии на складе: 353 шт.
Цена
2660р.
На складе ARMAT Автоматический выключатель M06N 2P D 3А IEK
В наличии на складе: 202 шт.
Цена
2660р.
На складе ARMAT Автоматический выключатель M06N 2P D 5А IEK
В наличии на складе: 289 шт.
Цена
2660р.
На складе ARMAT Автоматический выключатель M06N 2P D 6А IEK
В наличии на складе: 769 шт.
Цена
2110р.
На складе ARMAT Автоматический выключатель M06N 2P D 10А IEK
В наличии на складе: 792 шт.
Цена
1810р.
На складе ARMAT Автоматический выключатель M06N 2P D 13А IEK
В наличии на складе: 32 шт.
Цена
2890р.
На складе ARMAT Автоматический выключатель M06N 2P D 16А IEK
В наличии на складе: 78 шт.
Цена
1810р.
На складе ARMAT Автоматический выключатель M06N 2P D 20А IEK
В наличии на складе: 780 шт.
Цена
1860р.
На складе ARMAT Автоматический выключатель M06N 2P D 32А IEK
В наличии на складе: 61 шт.
Цена
2050р.
На складе ARMAT Автоматический выключатель M06N 2P D 40А IEK
В наличии на складе: 42 шт.
Цена
2020р.
На складе ARMAT Автоматический выключатель M06N 2P D 50А IEK
В наличии на складе: 954 шт.
Цена
2830р.
На складе ARMAT Автоматический выключатель M06N 2P D 63А IEK
В наличии на складе: 1077 шт.
Цена
2810р.
На складе ARMAT Автоматический выключатель M06N-DC 2P K 1А IEK
В наличии на складе: 584 шт.
Цена
8030р.
На складе ARMAT Автоматический выключатель M06N-DC 2P K 2А IEK
В наличии на складе: 1785 шт.
Цена
8030р.
На складе ARMAT Автоматический выключатель M06N-DC 2P K 3А IEK
В наличии на складе: 1105 шт.
Цена
8030р.
На складе ARMAT Автоматический выключатель M06N-DC 2P K 4А IEK
В наличии на складе: 554 шт.
Цена
7520р.
На складе ARMAT Автоматический выключатель M06N-DC 2P K 6А IEK
В наличии на складе: 322 шт.
Цена
7520р.
На складе ARMAT Автоматический выключатель M06N-DC 2P K 10А IEK
В наличии на складе: 198 шт.
Цена
7020р.
На складе ARMAT Автоматический выключатель M06N-DC 2P K 13А IEK
В наличии на складе: 598 шт.
Цена
7020р.
На складе ARMAT Автоматический выключатель M06N-DC 2P K 16А IEK
В наличии на складе: 507 шт.
Цена
7020р.
На складе ARMAT Автоматический выключатель M06N-DC 2P K 20А IEK
В наличии на складе: 588 шт.
Цена
7020р.
На складе ARMAT Автоматический выключатель M06N-DC 2P K 25А IEK
В наличии на складе: 540 шт.
Цена
7020р.
На складе ARMAT Автоматический выключатель M06N-DC 2P K 32А IEK
В наличии на складе: 560 шт.
Цена
15840р.
На складе ARMAT Автоматический выключатель M06N-DC 2P K 40А IEK
В наличии на складе: 541 шт.
Цена
15840р.
На складе ARMAT Автоматический выключатель M06N-DC 2P K 50А IEK
В наличии на складе: 594 шт.
Цена
16760р.
На складе ARMAT Автоматический выключатель M06N-DC 2P L 1А IEK
В наличии на складе: 373 шт.
Цена
16180р.
На складе ARMAT Автоматический выключатель M06N-DC 2P L 2А IEK
В наличии на складе: 290 шт.
Цена
15260р.
На складе ARMAT Автоматический выключатель M06N-DC 2P L 3А IEK
В наличии на складе: 476 шт.
Цена
15260р.
На складе ARMAT Автоматический выключатель M06N-DC 2P L 4А IEK
В наличии на складе: 418 шт.
Цена
7720р.
На складе ARMAT Автоматический выключатель M06N-DC 2P L 5А IEK
В наличии на складе: 416 шт.
Цена
7720р.
На складе ARMAT Автоматический выключатель M06N-DC 2P L 6А IEK
В наличии на складе: 551 шт.
Цена
7720р.
На складе ARMAT Автоматический выключатель M06N-DC 2P L 10А IEK
В наличии на складе: 416 шт.
Цена
6660р.
На складе ARMAT Автоматический выключатель M06N-DC 2P L 16А IEK
В наличии на складе: 552 шт.
Цена
6660р.
На складе ARMAT Автоматический выключатель M06N-DC 2P L 25А IEK
В наличии на складе: 422 шт.
Цена
7460р.
На складе ARMAT Автоматический выключатель M06N-DC 2P L 32А IEK
В наличии на складе: 592 шт.
Цена
16300р.
На складе ARMAT Автоматический выключатель M06N-DC 2P Z 1А IEK
В наличии на складе: 571 шт.
Цена
9160р.
На складе ARMAT Автоматический выключатель M06N-DC 2P Z 2А IEK
В наличии на складе: 434 шт.
Цена
9160р.
На складе ARMAT Автоматический выключатель M06N-DC 2P Z 3А IEK
В наличии на складе: 315 шт.
Цена
9160р.
На складе ARMAT Автоматический выключатель M06N-DC 2P Z 4А IEK
В наличии на складе: 491 шт.
Цена
8580р.
На складе ARMAT Автоматический выключатель M06N-DC 2P Z 5А IEK
В наличии на складе: 42 шт.
Цена
8580р.
На складе ARMAT Автоматический выключатель M06N-DC 2P Z 6А IEK
В наличии на складе: 471 шт.
Цена
8580р.
На складе ARMAT Автоматический выключатель M06N-DC 2P Z 10А IEK
В наличии на складе: 562 шт.
Цена
7990р.
На складе ARMAT Автоматический выключатель M06N-DC 2P Z 16А IEK
В наличии на складе: 575 шт.
Цена
7990р.
На складе ARMAT Автоматический выключатель M06N-DC 2P Z 25А IEK
В наличии на складе: 570 шт.
Цена
7990р.
На складе ARMAT Автоматический выключатель M06N-DC 2P Z 32А IEK
В наличии на складе: 593 шт.
Цена
15730р.
На складе ARMAT Автоматический выключатель M06N-DC 2P Z 40А IEK
В наличии на складе: 593 шт.
Цена
15730р.
На складе ARMAT Автоматический выключатель M06N-DC 2P Z 50А IEK
В наличии на складе: 582 шт.
Цена
22720р.
На складе ARMAT Автоматический выключатель M06N 3P B 1А IEK
В наличии на складе: 453 шт.
Цена
4490р.
На складе ARMAT Автоматический выключатель M06N 3P B 2А IEK
В наличии на складе: 523 шт.
Цена
4490р.
На складе ARMAT Автоматический выключатель M06N 3P B 3А IEK
В наличии на складе: 1133 шт.
Цена
4480р.
На складе ARMAT Автоматический выключатель M06N 3P B 5А IEK
В наличии на складе: 426 шт.
Цена
4520р.
-20%
На складе ARMAT Автоматический выключатель M06N 3P B 6А IEK
В наличии на складе: 625 шт.
Цена
2010р.
2520р.
На складе ARMAT Автоматический выключатель M06N 3P B 10А IEK
В наличии на складе: 603 шт.
Цена
2260р.
На складе ARMAT Автоматический выключатель M06N 3P B 13А IEK
В наличии на складе: 109 шт.
Цена
3840р.
На складе ARMAT Автоматический выключатель M06N 3P B 16А IEK
В наличии на складе: 206 шт.
Цена
2160р.
На складе ARMAT Автоматический выключатель M06N 3P B 20А IEK
В наличии на складе: 119 шт.
Цена
2630р.
На складе ARMAT Автоматический выключатель M06N 3P B 25А IEK
В наличии на складе: 254 шт.
Цена
2630р.
На складе ARMAT Автоматический выключатель M06N 3P B 32А IEK
В наличии на складе: 186 шт.
Цена
2890р.
На складе ARMAT Автоматический выключатель M06N 3P B 40А IEK
В наличии на складе: 164 шт.
Цена
3010р.
На складе ARMAT Автоматический выключатель M06N 3P B 50А IEK
В наличии на складе: 673 шт.
Цена
2820р.
На складе ARMAT Автоматический выключатель M06N 3P B 63А IEK
В наличии на складе: 309 шт.
Цена
2950р.
-19%
На складе ARMAT Автоматический выключатель M06N 3P C 1А IEK
В наличии на складе: 619 шт.
Цена
2850р.
3530р.
-20%
На складе ARMAT Автоматический выключатель M06N 3P C 2А IEK
В наличии на складе: 415 шт.
Цена
2920р.
3650р.
-20%
На складе ARMAT Автоматический выключатель M06N 3P C 3А IEK
В наличии на складе: 378 шт.
Цена
2870р.
3590р.
На складе ARMAT Автоматический выключатель M06N 3P C 4А IEK
В наличии на складе: 212 шт.
Цена
3750р.
На складе ARMAT Автоматический выключатель M06N 3P C 5А IEK
В наличии на складе: 958 шт.
Цена
3180р.
-24%
На складе ARMAT Автоматический выключатель M06N 3P C 6А IEK
В наличии на складе: 1082 шт.
Цена
1720р.
2270р.
На складе ARMAT Автоматический выключатель M06N 3P C 8А IEK
В наличии на складе: 164 шт.
Цена
4150р.
На складе ARMAT Автоматический выключатель M06N 3P C 10А IEK
В наличии на складе: 2227 шт.
Цена
1800р.
На складе ARMAT Автоматический выключатель M06N 3P C 13А IEK
В наличии на складе: 673 шт.
Цена
3300р.
На складе ARMAT Автоматический выключатель M06N 3P C 16А IEK
В наличии на складе: 2743 шт.
Цена
1720р.
На складе ARMAT Автоматический выключатель M06N 3P C 20А IEK
В наличии на складе: 1619 шт.
Цена
1720р.
На складе ARMAT Автоматический выключатель M06N 3P C 25А IEK
В наличии на складе: 5300 шт.
Цена
1670р.
-17%
На складе ARMAT Автоматический выключатель M06N 3P C 32А IEK
В наличии на складе: 3041 шт.
Цена
1840р.
2220р.
-15%
На складе ARMAT Автоматический выключатель M06N 3P C 40А IEK
В наличии на складе: 2217 шт.
Цена
2110р.
2490р.
-24%
На складе ARMAT Автоматический выключатель M06N 3P C 50А IEK
В наличии на складе: 1993 шт.
Цена
2320р.
3060р.
-19%
На складе ARMAT Автоматический выключатель M06N 3P C 63А IEK
В наличии на складе: 3024 шт.
Цена
2410р.
2980р.
На складе ARMAT Автоматический выключатель M06N 3P D 1А IEK
В наличии на складе: 255 шт.
Цена
6640р.
На складе ARMAT Автоматический выключатель M06N 3P D 2А IEK
В наличии на складе: 827 шт.
Цена
4740р.
На складе ARMAT Автоматический выключатель M06N 3P D 3А IEK
В наличии на складе: 121 шт.
Цена
4640р.
На складе ARMAT Автоматический выключатель M06N 3P D 4А IEK
В наличии на складе: 960 шт.
Цена
4740р.
На складе ARMAT Автоматический выключатель M06N 3P D 6А IEK
В наличии на складе: 200 шт.
Цена
3190р.
На складе ARMAT Автоматический выключатель M06N 3P D 10А IEK
В наличии на складе: 107 шт.
Цена
2490р.
-16%
На складе ARMAT Автоматический выключатель M06N 3P D 16А IEK
В наличии на складе: 258 шт.
Цена
2190р.
2610р.
На складе ARMAT Автоматический выключатель M06N 3P D 20А IEK
В наличии на складе: 33 шт.
Цена
2660р.
На складе ARMAT Автоматический выключатель M06N 3P D 25А IEK
В наличии на складе: 1223 шт.
Цена
2870р.
На складе ARMAT Автоматический выключатель M06N 3P D 32А IEK
В наличии на складе: 21 шт.
Цена
2870р.
На складе ARMAT Автоматический выключатель M06N 3P D 40А IEK
В наличии на складе: 138 шт.
Цена
3320р.
На складе ARMAT Автоматический выключатель M06N 3P D 50А IEK
В наличии на складе: 60 шт.
Цена
4160р.
-21%
На складе ARMAT Автоматический выключатель M06N 3P D 63А IEK
В наличии на складе: 126 шт.
Цена
3270р.
4140р.
На складе ARMAT Автоматический выключатель M06N 4P B 1А IEK
В наличии на складе: 144 шт.
Цена
4460р.
На складе ARMAT Автоматический выключатель M06N 4P B 2А IEK
В наличии на складе: 141 шт.
Цена
4480р.
На складе ARMAT Автоматический выключатель M06N 4P B 3А IEK
В наличии на складе: 145 шт.
Цена
4470р.
На складе ARMAT Автоматический выключатель M06N 4P B 4А IEK
В наличии на складе: 131 шт.
Цена
4470р.
На складе ARMAT Автоматический выключатель M06N 4P B 5А IEK
В наличии на складе: 145 шт.
Цена
3640р.
На складе ARMAT Автоматический выключатель M06N 4P B 6А IEK
В наличии на складе: 138 шт.
Цена
4190р.
На складе ARMAT Автоматический выключатель M06N 4P B 10А IEK
В наличии на складе: 229 шт.
Цена
3970р.
На складе ARMAT Автоматический выключатель M06N 4P B 16А IEK
В наличии на складе: 764 шт.
Цена
3950р.
На складе ARMAT Автоматический выключатель M06N 4P B 20А IEK
В наличии на складе: 75 шт.
Цена
3950р.
На складе ARMAT Автоматический выключатель M06N 4P B 25А IEK
В наличии на складе: 47 шт.
Цена
3960р.
На складе ARMAT Автоматический выключатель M06N 4P B 32А IEK
В наличии на складе: 778 шт.
Цена
4600р.
На складе ARMAT Автоматический выключатель M06N 4P B 40А IEK
В наличии на складе: 83 шт.
Цена
4610р.
На складе ARMAT Автоматический выключатель M06N 4P B 50А IEK
В наличии на складе: 967 шт.
Цена
6320р.
На складе ARMAT Автоматический выключатель M06N 4P C 1А IEK
В наличии на складе: 317 шт.
Цена
3830р.
На складе ARMAT Автоматический выключатель M06N 4P C 2А IEK
В наличии на складе: 1050 шт.
Цена
3830р.
На складе ARMAT Автоматический выключатель M06N 4P C 3А IEK
В наличии на складе: 272 шт.
Цена
3830р.
На складе ARMAT Автоматический выключатель M06N 4P C 4А IEK
В наличии на складе: 284 шт.
Цена
3830р.
На складе ARMAT Автоматический выключатель M06N 4P C 5А IEK
В наличии на складе: 329 шт.
Цена
3740р.
На складе ARMAT Автоматический выключатель M06N 4P C 6А IEK
В наличии на складе: 145 шт.
Цена
3600р.
На складе ARMAT Автоматический выключатель M06N 4P C 10А IEK
В наличии на складе: 183 шт.
Цена
2960р.
На складе ARMAT Автоматический выключатель M06N 4P C 13А IEK
В наличии на складе: 46 шт.
Цена
5310р.
На складе ARMAT Автоматический выключатель M06N 4P C 16А IEK
В наличии на складе: 235 шт.
Цена
3040р.
На складе ARMAT Автоматический выключатель M06N 4P C 20А IEK
В наличии на складе: 30 шт.
Цена
3040р.
-25%
На складе ARMAT Автоматический выключатель M06N 4P C 25А IEK
В наличии на складе: 131 шт.
Цена
1960р.
2620р.
-19%
На складе ARMAT Автоматический выключатель M06N 4P C 32А IEK
В наличии на складе: 1 шт.
Цена
2610р.
3230р.
На складе ARMAT Автоматический выключатель M06N 4P C 40А IEK
В наличии на складе: 12 шт.
Цена
3430р.
На складе ARMAT Автоматический выключатель M06N 4P C 50А IEK
В наличии на складе: 339 шт.
Цена
5040р.
На складе ARMAT Автоматический выключатель M06N 4P C 63А IEK
В наличии на складе: 107 шт.
Цена
4910р.
На складе ARMAT Автоматический выключатель M06N 4P D 1А IEK
В наличии на складе: 209 шт.
Цена
3990р.
На складе ARMAT Автоматический выключатель M06N 4P D 2А IEK
В наличии на складе: 199 шт.
Цена
4880р.
На складе ARMAT Автоматический выключатель M06N 4P D 3А IEK
В наличии на складе: 974 шт.
Цена
4790р.
На складе ARMAT Автоматический выключатель M06N 4P D 4А IEK
В наличии на складе: 207 шт.
Цена
4720р.
На складе ARMAT Автоматический выключатель M06N 4P D 5А IEK
В наличии на складе: 205 шт.
Цена
4980р.
На складе ARMAT Автоматический выключатель M06N 4P D 6А IEK
В наличии на складе: 202 шт.
Цена
4360р.
На складе ARMAT Автоматический выключатель M06N 4P D 25А IEK
В наличии на складе: 23 шт.
Цена
4380р.
На складе ARMAT Автоматический выключатель M06N 4P D 50А IEK
В наличии на складе: 975 шт.
Цена
6880р.
На складе ARMAT Автоматический выключатель M10N 1P B 5А IEK
В наличии на складе: 206 шт.
Цена
2100р.
-22%
На складе ARMAT Автоматический выключатель M10N 1P B 6А IEK
В наличии на складе: 949 шт.
Цена
690р.
880р.
На складе ARMAT Автоматический выключатель M10N 1P B 10А IEK
В наличии на складе: 461 шт.
Цена
730р.
На складе ARMAT Автоматический выключатель M10N 1P B 16А IEK
В наличии на складе: 514 шт.
Цена
730р.
На складе ARMAT Автоматический выключатель M10N 1P B 25А IEK
В наличии на складе: 147 шт.
Цена
880р.
На складе ARMAT Автоматический выключатель M10N 1P B 50А IEK
В наличии на складе: 48 шт.
Цена
1180р.
На складе ARMAT Автоматический выключатель M10N 1P C 1А IEK
В наличии на складе: 237 шт.
Цена
1470р.
-24%
На складе ARMAT Автоматический выключатель M10N 1P C 2А IEK
В наличии на складе: 294 шт.
Цена
1110р.
1470р.
На складе ARMAT Автоматический выключатель M10N 1P C 3А IEK
В наличии на складе: 361 шт.
Цена
1470р.
На складе ARMAT Автоматический выключатель M10N 1P C 4А IEK
В наличии на складе: 200 шт.
Цена
1470р.
-19%
На складе ARMAT Автоматический выключатель M10N 1P C 6А IEK
В наличии на складе: 1203 шт.
Цена
680р.
840р.
-23%
На складе ARMAT Автоматический выключатель M10N 1P C 10А IEK
В наличии на складе: 2981 шт.
Цена
620р.
800р.
-22%
На складе ARMAT Автоматический выключатель M10N 1P C 16А IEK
В наличии на складе: 2912 шт.
Цена
570р.
730р.
На складе ARMAT Автоматический выключатель M10N 1P C 20А IEK
В наличии на складе: 140 шт.
Цена
730р.
На складе ARMAT Автоматический выключатель M10N 1P C 25А IEK
В наличии на складе: 339 шт.
Цена
720р.
На складе ARMAT Автоматический выключатель M10N 1P C 32А IEK
В наличии на складе: 415 шт.
Цена
820р.
На складе ARMAT Автоматический выключатель M10N 1P C 40А IEK
В наличии на складе: 613 шт.
Цена
860р.
На складе ARMAT Автоматический выключатель M10N 1P C 50А IEK
В наличии на складе: 637 шт.
Цена
1180р.
На складе ARMAT Автоматический выключатель M10N 1P C 63А IEK
В наличии на складе: 3492 шт.
Цена
1280р.
На складе ARMAT Автоматический выключатель M10N 1P C 0,5А IEK
В наличии на складе: 78 шт.
Цена
2480р.
На складе ARMAT Автоматический выключатель M10N 1P D 10А IEK
В наличии на складе: 12 шт.
Цена
1460р.
На складе ARMAT Автоматический выключатель M10N 1P D 16А IEK
В наличии на складе: 160 шт.
Цена
1460р.
На складе ARMAT Автоматический выключатель M10N 1P D 25А IEK
В наличии на складе: 637 шт.
Цена
1690р.
На складе ARMAT Автоматический выключатель M10N 1P D 40А IEK
В наличии на складе: 91 шт.
Цена
1910р.
На складе ARMAT Автоматический выключатель M10N 1P D 63А IEK
В наличии на складе: 1001 шт.
Цена
2530р.
На складе ARMAT Автоматический выключатель M10N 1P K 4А IEK
В наличии на складе: 106 шт.
Цена
7630р.
На складе ARMAT Автоматический выключатель M10N 1P K 16А IEK
В наличии на складе: 108 шт.
Цена
4090р.
На складе ARMAT Автоматический выключатель M10N 1P K 50А IEK
В наличии на складе: 114 шт.
Цена
5830р.
На складе ARMAT Автоматический выключатель M10N 1P K 63А IEK
В наличии на складе: 114 шт.
Цена
5830р.
На складе ARMAT Автоматический выключатель M10N 1P L 1А IEK
В наличии на складе: 105 шт.
Цена
7080р.
На складе ARMAT Автоматический выключатель M10N 1P L 2А IEK
В наличии на складе: 120 шт.
Цена
7080р.
На складе ARMAT Автоматический выключатель M10N 1P L 3А IEK
В наличии на складе: 120 шт.
Цена
7080р.
На складе ARMAT Автоматический выключатель M10N 1P L 4А IEK
В наличии на складе: 116 шт.
Цена
7660р.
На складе ARMAT Автоматический выключатель M10N 1P L 5А IEK
В наличии на складе: 116 шт.
Цена
7660р.
На складе ARMAT Автоматический выключатель M10N 1P Z 5А IEK
В наличии на складе: 118 шт.
Цена
9190р.
На складе ARMAT Автоматический выключатель M10N 1P Z 6А IEK
В наличии на складе: 110 шт.
Цена
6010р.
На складе ARMAT Автоматический выключатель M10N 1P Z 10А IEK
В наличии на складе: 104 шт.
Цена
4920р.
На складе ARMAT Автоматический выключатель M10N 1P Z 13А IEK
В наличии на складе: 90 шт.
Цена
8580р.
На складе ARMAT Автоматический выключатель M10N 1P Z 16А IEK
В наличии на складе: 76 шт.
Цена
4920р.
На складе ARMAT Автоматический выключатель M10N 2P B 1А IEK
В наличии на складе: 176 шт.
Цена
4560р.
На складе ARMAT Автоматический выключатель M10N 2P B 2А IEK
В наличии на складе: 117 шт.
Цена
4560р.
На складе ARMAT Автоматический выключатель M10N 2P B 10А IEK
В наличии на складе: 81 шт.
Цена
1710р.
На складе ARMAT Автоматический выключатель M10N 2P B 20А IEK
В наличии на складе: 185 шт.
Цена
1970р.
На складе ARMAT Автоматический выключатель M10N 2P B 25А IEK
В наличии на складе: 156 шт.
Цена
2050р.
На складе ARMAT Автоматический выключатель M10N 2P B 32А IEK
В наличии на складе: 172 шт.
Цена
2140р.
На складе ARMAT Автоматический выключатель M10N 2P B 40А IEK
В наличии на складе: 296 шт.
Цена
2220р.
На складе ARMAT Автоматический выключатель M10N 2P B 50А IEK
В наличии на складе: 20 шт.
Цена
2810р.
На складе ARMAT Автоматический выключатель M10N 2P C 1А IEK
В наличии на складе: 1185 шт.
Цена
3500р.
На складе ARMAT Автоматический выключатель M10N 2P C 2А IEK
В наличии на складе: 254 шт.
Цена
3500р.
На складе ARMAT Автоматический выключатель M10N 2P C 3А IEK
В наличии на складе: 825 шт.
Цена
3500р.
-19%
На складе ARMAT Автоматический выключатель M10N 2P C 4А IEK
В наличии на складе: 150 шт.
Цена
2830р.
3500р.
-24%
На складе ARMAT Автоматический выключатель M10N 2P C 6А IEK
В наличии на складе: 361 шт.
Цена
1580р.
2080р.
На складе ARMAT Автоматический выключатель M10N 2P C 10А IEK
В наличии на складе: 124 шт.
Цена
1760р.
На складе ARMAT Автоматический выключатель M10N 2P C 16А IEK
В наличии на складе: 334 шт.
Цена
1730р.
На складе ARMAT Автоматический выключатель M10N 2P C 20А IEK
В наличии на складе: 296 шт.
Цена
2130р.
На складе ARMAT Автоматический выключатель M10N 2P C 25А IEK
В наличии на складе: 685 шт.
Цена
2130р.
На складе ARMAT Автоматический выключатель M10N 2P C 32А IEK
В наличии на складе: 841 шт.
Цена
2300р.
На складе ARMAT Автоматический выключатель M10N 2P C 40А IEK
В наличии на складе: 840 шт.
Цена
2300р.
На складе ARMAT Автоматический выключатель M10N 2P C 63А IEK
В наличии на складе: 2704 шт.
Цена
3210р.
На складе ARMAT Автоматический выключатель M10N 2P D 1А IEK
В наличии на складе: 105 шт.
Цена
4710р.
-16%
На складе ARMAT Автоматический выключатель M10N 2P D 6А IEK
В наличии на складе: 16 шт.
Цена
3390р.
4040р.
На складе ARMAT Автоматический выключатель M10N 2P D 16А IEK
В наличии на складе: 34 шт.
Цена
3360р.
На складе ARMAT Автоматический выключатель M10N 2P K 10А IEK
В наличии на складе: 45 шт.
Цена
10130р.
На складе ARMAT Автоматический выключатель M10N 2P L 1А IEK
В наличии на складе: 59 шт.
Цена
15200р.
На складе ARMAT Автоматический выключатель M10N 2P L 2А IEK
В наличии на складе: 60 шт.
Цена
15200р.
На складе ARMAT Автоматический выключатель M10N 2P L 3А IEK
В наличии на складе: 60 шт.
Цена
15200р.
На складе ARMAT Автоматический выключатель M10N 2P L 4А IEK
В наличии на складе: 60 шт.
Цена
15200р.
На складе ARMAT Автоматический выключатель M10N 2P L 5А IEK
В наличии на складе: 80 шт.
Цена
15960р.
На складе ARMAT Автоматический выключатель M10N 2P L 6А IEK
В наличии на складе: 60 шт.
Цена
11940р.
На складе ARMAT Автоматический выключатель M10N 2P L 10А IEK
В наличии на складе: 49 шт.
Цена
10180р.
На складе ARMAT Автоматический выключатель M10N 2P Z 3А IEK
В наличии на складе: 114 шт.
Цена
18240р.
На складе ARMAT Автоматический выключатель M10N 2P Z 4А IEK
В наличии на складе: 47 шт.
Цена
18240р.
На складе ARMAT Автоматический выключатель M10N 2P Z 5А IEK
В наличии на складе: 59 шт.
Цена
18240р.
На складе ARMAT Автоматический выключатель M10N 2P Z 32А IEK
В наличии на складе: 60 шт.
Цена
13980р.
На складе ARMAT Автоматический выключатель M10N 2P Z 40А IEK
В наличии на складе: 60 шт.
Цена
18240р.
На складе ARMAT Автоматический выключатель M10N 2P Z 63А IEK
В наличии на складе: 59 шт.
Цена
19470р.
На складе ARMAT Автоматический выключатель M10N 3P B 6А IEK
В наличии на складе: 531 шт.
Цена
2910р.
На складе ARMAT Автоматический выключатель M10N 3P B 16А IEK
В наличии на складе: 57 шт.
Цена
2540р.
На складе ARMAT Автоматический выключатель M10N 3P B 25А IEK
В наличии на складе: 248 шт.
Цена
2910р.
-17%
На складе ARMAT Автоматический выключатель M10N 3P B 63А IEK
В наличии на складе: 456 шт.
Цена
3580р.
4320р.
На складе ARMAT Автоматический выключатель M10N 3P C 2А IEK
В наличии на складе: 618 шт.
Цена
5140р.
На складе ARMAT Автоматический выключатель M10N 3P C 4А IEK
В наличии на складе: 322 шт.
Цена
5140р.
-23%
На складе ARMAT Автоматический выключатель M10N 3P C 6А IEK
В наличии на складе: 58 шт.
Цена
2250р.
2930р.
-25%
На складе ARMAT Автоматический выключатель M10N 3P C 10А IEK
В наличии на складе: 172 шт.
Цена
1640р.
2190р.
На складе ARMAT Автоматический выключатель M10N 3P C 13А IEK
В наличии на складе: 18 шт.
Цена
2630р.
На складе ARMAT Автоматический выключатель M10N 3P C 16А IEK
В наличии на складе: 560 шт.
Цена
2210р.
-17%
На складе ARMAT Автоматический выключатель M10N 3P C 20А IEK
В наличии на складе: 557 шт.
Цена
2160р.
2610р.
На складе ARMAT Автоматический выключатель M10N 3P C 25А IEK
В наличии на складе: 557 шт.
Цена
2680р.
-23%
На складе ARMAT Автоматический выключатель M10N 3P C 32А IEK
В наличии на складе: 546 шт.
Цена
2170р.
2830р.
На складе ARMAT Автоматический выключатель M10N 3P C 40А IEK
В наличии на складе: 1094 шт.
Цена
3020р.
На складе ARMAT Автоматический выключатель M10N 3P C 50А IEK
В наличии на складе: 361 шт.
Цена
3830р.
-15%
На складе ARMAT Автоматический выключатель M10N 3P C 63А IEK
В наличии на складе: 663 шт.
Цена
3430р.
4040р.
На складе ARMAT Автоматический выключатель M10N 3P D 3А IEK
В наличии на складе: 1275 шт.
Цена
7160р.
На складе ARMAT Автоматический выключатель M10N 3P D 5А IEK
В наличии на складе: 332 шт.
Цена
7160р.
На складе ARMAT Автоматический выключатель M10N 3P D 6А IEK
В наличии на складе: 1101 шт.
Цена
6140р.
На складе ARMAT Автоматический выключатель M10N 3P D 8А IEK
В наличии на складе: 966 шт.
Цена
10030р.
-23%
На складе ARMAT Автоматический выключатель M10N 3P D 10А IEK
В наличии на складе: 184 шт.
Цена
3930р.
5110р.
На складе ARMAT Автоматический выключатель M10N 3P D 13А IEK
В наличии на складе: 37 шт.
Цена
6820р.
На складе ARMAT Автоматический выключатель M10N 3P D 16А IEK
В наличии на складе: 112 шт.
Цена
5110р.
На складе ARMAT Автоматический выключатель M10N 3P D 25А IEK
В наличии на складе: 709 шт.
Цена
6130р.
-23%
На складе ARMAT Автоматический выключатель M10N 3P D 32А IEK
В наличии на складе: 760 шт.
Цена
4920р.
6390р.
На складе ARMAT Автоматический выключатель M10N 3P D 40А IEK
В наличии на складе: 1361 шт.
Цена
6650р.
На складе ARMAT Автоматический выключатель M10N 3P D 50А IEK
В наличии на складе: 975 шт.
Цена
7680р.
На складе ARMAT Автоматический выключатель M10N 3P D 63А IEK
В наличии на складе: 1116 шт.
Цена
8690р.
На складе ARMAT Автоматический выключатель M10N 3P K 5А IEK
В наличии на складе: 40 шт.
Цена
27150р.
На складе ARMAT Автоматический выключатель M10N 3P K 6А IEK
В наличии на складе: 96 шт.
Цена
17750р.
На складе ARMAT Автоматический выключатель M10N 3P K 10А IEK
В наличии на складе: 29 шт.
Цена
14850р.
На складе ARMAT Автоматический выключатель M10N 3P K 16А IEK
В наличии на складе: 9 шт.
Цена
14850р.
На складе ARMAT Автоматический выключатель M10N 3P K 50А IEK
В наличии на складе: 33 шт.
Цена
20020р.
На складе ARMAT Автоматический выключатель M10N 3P K 63А IEK
В наличии на складе: 56 шт.
Цена
20020р.
На складе ARMAT Автоматический выключатель M10N 4P B 16А IEK
В наличии на складе: 45 шт.
Цена
5630р.
На складе ARMAT Автоматический выключатель M10N 4P B 25А IEK
В наличии на складе: 101 шт.
Цена
5630р.
На складе ARMAT Автоматический выключатель M10N 4P C 10А IEK
В наличии на складе: 135 шт.
Цена
3950р.
На складе ARMAT Автоматический выключатель M10N 4P C 13А IEK
В наличии на складе: 119 шт.
Цена
4270р.
На складе ARMAT Автоматический выключатель M10N 4P C 20А IEK
В наличии на складе: 931 шт.
Цена
4240р.
На складе ARMAT Автоматический выключатель M10N 4P C 25А IEK
В наличии на складе: 110 шт.
Цена
4150р.
На складе ARMAT Автоматический выключатель M10N 4P C 32А IEK
В наличии на складе: 253 шт.
Цена
4430р.
На складе ARMAT Автоматический выключатель M10N 4P C 50А IEK
В наличии на складе: 637 шт.
Цена
5200р.
-15%
На складе ARMAT Автоматический выключатель M10N 4P C 63А IEK
В наличии на складе: 1116 шт.
Цена
5640р.
6640р.
На складе ARMAT Автоматический выключатель M10N 4P D 20А IEK
В наличии на складе: 27 шт.
Цена
8150р.
На складе ARMAT Автоматический выключатель M10N 4P D 25А IEK
В наличии на складе: 22 шт.
Цена
8500р.
На складе ARMAT Автоматический выключатель M10N 4P L 3А IEK
В наличии на складе: 29 шт.
Цена
27270р.
На складе ARMAT Автоматический выключатель M10N 4P L 4А IEK
В наличии на складе: 27 шт.
Цена
27270р.
На складе ARMAT Автоматический выключатель M10N 4P L 5А IEK
В наличии на складе: 22 шт.
Цена
29010р.
На складе ARMAT Автоматический выключатель дифференциального тока B06S 1P+NP B6 30мА тип AC (18мм) IEK
В наличии на складе: 311 шт.
Цена
4550р.
На складе ARMAT Автоматический выключатель дифференциального тока B06S 1P+NP B10 30мА тип A (18мм) IEK
В наличии на складе: 203 шт.
Цена
5500р.
На складе ARMAT Автоматический выключатель дифференциального тока B06S 1P+NP B10 30мА тип AC (18мм) IEK
В наличии на складе: 524 шт.
Цена
4550р.
На складе ARMAT Автоматический выключатель дифференциального тока B06S 1P+NP B13 30мА тип A (18мм) IEK
В наличии на складе: 125 шт.
Цена
5500р.
На складе ARMAT Автоматический выключатель дифференциального тока B06S 1P+NP B16 30мА тип A (18мм) IEK
В наличии на складе: 855 шт.
Цена
5500р.
На складе ARMAT Автоматический выключатель дифференциального тока B06S 1P+NP B16 30мА тип AC (18мм) IEK
В наличии на складе: 3016 шт.
Цена
4550р.
На складе ARMAT Автоматический выключатель дифференциального тока B06S 1P+NP B20 30мА тип A (18мм) IEK
В наличии на складе: 222 шт.
Цена
5500р.
На складе ARMAT Автоматический выключатель дифференциального тока B06S 1P+NP B20 30мА тип AC (18мм) IEK
В наличии на складе: 910 шт.
Цена
1050р.
На складе ARMAT Автоматический выключатель дифференциального тока B06S 1P+NP B25 30мА тип AC (18мм) IEK
В наличии на складе: 1962 шт.
Цена
4550р.
На складе ARMAT Автоматический выключатель дифференциального тока B06S 1P+NP B32 30мА тип A (18мм) IEK
В наличии на складе: 123 шт.
Цена
5500р.
На складе ARMAT Автоматический выключатель дифференциального тока B06S 1P+NP B32 30мА тип AC (18мм) IEK
В наличии на складе: 1477 шт.
Цена
4550р.
-23%
На складе ARMAT Автоматический выключатель дифференциального тока B06S 1P+NP C6 30мА тип A (18мм) IEK
В наличии на складе: 604 шт.
Цена
4380р.
5690р.
На складе ARMAT Автоматический выключатель дифференциального тока B06S 1P+NP C6 30мА тип AC (18мм) IEK
В наличии на складе: 278 шт.
Цена
4890р.
-20%
На складе ARMAT Автоматический выключатель дифференциального тока B06S 1P+NP C10 30мА тип A (18мм) IEK
В наличии на складе: 550 шт.
Цена
4400р.
5500р.
-18%
На складе ARMAT Автоматический выключатель дифференциального тока B06S 1P+NP C10 30мА тип AC (18мм) IEK
В наличии на складе: 2197 шт.
Цена
3880р.
4740р.
-22%
На складе ARMAT Автоматический выключатель дифференциального тока B06S 1P+NP C13 30мА тип A (18мм) IEK
В наличии на складе: 116 шт.
Цена
4430р.
5690р.
На складе ARMAT Автоматический выключатель дифференциального тока B06S 1P+NP C16 30мА тип A (18мм) IEK
В наличии на складе: 1927 шт.
Цена
5690р.
На складе ARMAT Автоматический выключатель дифференциального тока B06S 1P+NP C16 30мА тип AC (18мм) IEK
В наличии на складе: 14678 шт.
Цена
4680р.
-16%
На складе ARMAT Автоматический выключатель дифференциального тока B06S 1P+NP C20 30мА тип A (18мм) IEK
В наличии на складе: 426 шт.
Цена
4620р.
5500р.
-16%
На складе ARMAT Автоматический выключатель дифференциального тока B06S 1P+NP C20 30мА тип AC (18мм) IEK
В наличии на складе: 1730 шт.
Цена
3980р.
4740р.
На складе ARMAT Автоматический выключатель дифференциального тока B06S 1P+NP C25 30мА тип A (18мм) IEK
В наличии на складе: 2006 шт.
Цена
1040р.
-16%
На складе ARMAT Автоматический выключатель дифференциального тока B06S 1P+NP C25 30мА тип AC (18мм) IEK
В наличии на складе: 2642 шт.
Цена
3820р.
4550р.
На складе ARMAT Автоматический выключатель дифференциального тока B06S 1P+NP C32 30мА тип A (18мм) IEK
В наличии на складе: 2558 шт.
Цена
1100р.
-15%
На складе ARMAT Автоматический выключатель дифференциального тока B06S 1P+NP C32 30мА тип AC (18мм) IEK
В наличии на складе: 4566 шт.
Цена
930р.
1100р.
Подробнее...









